Documentation Library

Qubic System — product manuals and technical documentation.

76 manuals · 6 categories
How to Check Your Machine's Revision Number? Please locate the label on your equipment. The revision number is indicated by the red arrow.
Revision number location

QS-220 R3

Use this user manual if you have revision R3.

1 Safety precautions

Read all safety instructions before installing and using this product. Save this document for future reference. If ownership of this product is transferred, be sure to include this manual. Following coloured frames are used in this manual to draw attention to important information or warnings:
Info
The instructions included in this frame indicate information that is considered important, but not injury- or damage-related.
Warning
The instructions included in this frame indicate a dangerous situation that, if not avoided, could result in a user injury or device damage.

1.1 General safety

Warning
warning_crushing_2.png
Keep hands and feet away from the moving parts when device is in motion.
Warning
danger_sign_1.jpg
Always ensure that cockpit attachment points can withstand forces generated by the QS-220 (approved construction or tested for expected load). Check the cockpit for loose mounting points.
Warning
Risk_electric.png
To reduce the risk of burns, fire, electrical shock, injury or mechanical damage always TURN OFF THE POWER SUPPLY before plugging and unplugging the QS-220 . Dangerous voltages level can be present in Power Cabinet for a few minutes after turning off the machine.
Warning
warning_16_years.jpg
The device is intended solely for individuals OVER THE AGE OF 16. In case of use by individuals with limited physical, sensory, or mental capabilities, strict supervision is required. Read safety instructions before using the device.
  • Use the QS-220 only for its intended purpose, according to instructions.
  • Unplug the QS-220 from the power supply if it is not used for an extended period or when there is a need to perform hardware installation, maintenance, servicing or repairs.
  • Turn off the QS-220 when it is not in use.
  • The QS-220 was designed for indoor use only - DO NOT store or use the product outdoors.
  • Keep the QS-220 away from the heat sources, high humidity, water, and other liquids. DO NOT store in cold place where water condensation may occur.
  • DO NOT disassemble the product. Any tampering with or altering the product will void the warranty, poses a serious risk of electric shock, and may irreparably damage the product.
  • DO NOT cover the ventilation holes in the Power Cabinet.
  • Keep the power cord plug and the socket dry, clean and dust-free.
  • Protect the power cord from damage caused by being stepped on, rubbed against, or pinched.
  • DO NOT use the QS-220 if the ambient temperature is below 5° Celsius (41° Fahrenheit) or above 40° Celsius (104° Fahrenheit).
  • DO NOT use the QS-220 if it has been damaged, or any component is broken or missing. Please contact technical support.
  • DO NOT use attachments or replacement parts not recommended or approved by the manufacturer. If you must replace a power cord, use only certified products with the same rating as the one being replaced.
  • Connect the QS-220 to a properly grounded outlet only. See grounding instructions in section 2.4.
  • If you want to increase safety level of the system, you can add external safety devices. For detailed information check section 7.
Warning
Stop using the QS-220 immediately and contact technical support when the machine starts to emit unusual noise, smoke or any other suspicious behaviour indicating the machine is not working properly.

1.2 Health and Safety Instruction

The safety of Qubic System users is top priority. To protect users and bystanders from injuries caused by mechanical parts movement and electric shock, the following instructions MUST BE followed.
Warning
As with any mechanical device, user is the one responsible for inspecting the condition of the machine before using it and ensuring safe working conditions.
What must be checked before turning on the device:
  • Ensure that nothing is blocking machine's movements or air vents. The minimum distance between the air vents in the Power Cabinet's and any outside part of the cockpit equipment is 10 cm (4 in).
    ventilation_holes_distances.jpg
  • Check if cables are mounted correctly – they must NOT be stretched or loosely connected to the socket. Placed them out of the moving range of the device components.
  • Check if all components are correctly mounted.
  • Check if there are no sharp edges near the moving range of the cockpit.
Warning
Risk_electric.png
Dangerous voltage level are present in the Power Cabinet and cables during the operation and for up to a few minutes after turning off the machine.
How to safely turn on and use the QS-220 :
  • Ensure that everyone around is aware of cockpit's rapid movements.
  • Ensure that no one stands in the range of the motion (minimum of 1.5 m [5 feet]).
Warning
In order to perform a calibration, QS-220 will move after turning the power on and cycling the Motion Lock button (details - 2.8, page ). Stay in the safe distance from that movement and do not try to interrupt it.
  • DO NOT change the payload weight mounted to the QS-220 during a start-up calibration.
  • Motion Lock Switch should be mounted within the reach of the user – it has to be available immediately in every situation. Different seat positioning setups should be taken into account.
  • Check the Motion Lock Switch AT LEAST once a month to reduce the possibility of unknown and unexpected failure – more information available in chapter 5.
  • Before getting on and off the machine activate Motion Lock Switch by pressing it down.
  • In case of game crash or freeze - Motion Lock Switch must be triggered (pressed down) before getting off the machine.
Info
To check if the QS-220 is in the Motion Lock mode - go to QubicManager application main window. Platform status is displayed in the lower left corner of the main application window:
Screenshot_platform_status.png
Warning
Motion Lock input is not SIL/PL (safety integrity level/performance level) rated and DOES NOT guarantee safety. If you wish to achieve specific SIL/PL ranking, consider introducing a power cut-off device that is controlled by an external safety relay and cuts off the power to all Power Cabinets. Example application of the power cut-off contactor can be found in section 7.3.2 and 7.3.3 and .
  • For VR Headset users:
    • Remove the VR goggles before entering or exiting the rig.
    • Ensure that cables from the VR Headset are not in the movement range of the QS-220 .
    • Ensure that the whole VR setup is not in the motion range of the QS-220 .
    • Ensure that VR setup cables are protected from being crushed by the QS-220 – DO NOT place them loosely under the motion rig.
Info
It is recommended that the connected PC is capable of running the game at stable 90 frames per second or more when VR Headset is used. Lower values can cause VR sickness.
  • DO NOT use QS-220 if you are pregnant, tired, or under the influence of alcohol or narcotic substances.
  • STOP USING the QS-220 immediately if you start feeling pain, fatigue or any physical or mental discomfort.
  • For every two hours of playing, we recommend at least 15 MINUTES OF BREAK.
  • DO NOT put your hands or legs in the actuator's range of motion!
  • DO NOT use the QS-220 with small children or pets around.
  • DO NOT put any items between actuators and stabilization plates.
  • DO NOT pull the wires connecting the actuators with the Power Cabinets.
Warning
Keep in mind that motion platform implementations using QS-220 actuators and QS-Pivot rely on the user's ingenuity and common sense. The QS-220 is capable of highly dynamic movements based on telemetry input from the simulator, and the motion rig must therefore be built to a safe specification with that in mind. Please exercise caution when installing and using this motion set.

2 Technical details

2.1 Product description

QS-220 is a set of industrial-grade linear actuators with necessary accessories. It enables users to introduce vertical movement into their gaming rigs to increase the immersion of the simulation. QS-220 is sold in two variants - 2DoF (two degrees of freedom) and 3DoF. It is designed with upgradeability in mind – it is possible to expand from 2DoF to 3DoF setup later on. Available variants are presented below (illustrations show an example assembly).
Info
QS-220 is delivered without the pivot leg. There is an accessory Pivot bar available for purchase - go to section 3.1 for technical details.
qs-210-220_2dof_pivot_leg_back.jpg
QS-220 2DoF - Front variant
qs-210-220_2dof_pivot_leg_front.jpg
QS-220 2DoF - Back variant
Info
Single pivot leg should be mounted in the middle of the rig - in a longitudinal axis defining the center between the front or back actuators.
qs-210-220_3dof_no_pivot_leg.jpg
QS-220 3DoF

2.2 List of components

Qubic System provides the option to buy the QS-220 motion set that contains QS-MC6 and QS-220 2DoF or 3DoF packages ( QS-220 is delivered without the pivot leg).
Warning
Check if the package contains all listed parts. If incomplete, please contact the distributor/reseller.
 

2.2.1 QS-MC6 set

M10 controller (from the QS-MC6 package) is specifically designed to use communication protocol created by Qubic System. It allows connecting PC with the QS-220 - DO NOT try to substitute this device. M10 requires USB connection (with an USB port on your PC).
Info
M-BUS terminator, which is a RJ45 connector with a resistor, is a small but very important part used in the last Power Cabinet in the set. For cable connections information go to section 4.5.
The QS-MC6 package includes following components :
  • M10 controller (x 1) Motion Lock Switch (x 1) M-BUS Terminator (x 1)
  • M-BUS communication cable (x 1) USB cable (x 1)
qs-mc6_controller-set.jpg

2.2.2 QS-220 2DoF set

QS-220 2DoF is a set composed of two actuators integrated with a Power Cabinet. For beginners, two actuators variant will be sufficient. It is possible to expand 2DoF setup into 3DoF setup later on by purchasing another QS-220 2DoF set. It can be used to set up various motion rigs. For installation details go to section 4.2.
Warning
  • Check if the package contains all listed parts. If it is incomplete, please contact the distributor/reseller.
  • QS-220 is delivered without the pivot leg.
The QS-220 2DoF package includes following components:
  • QS-220 Power Cabinet (x 1) QS-220 actuator [integrated] (x 2) Power supply cable (x 1) M-BUS communication cable (x 1) Motion Lock interlink cable (x 1) Stabilization plate (x 2)
  • Power Cabinet mounting plates (x 4) M8 x 20 bolts [DIN 912] (x 16) M6 x 16 bolts [ISO 7380-1] (x 4) M6 x 16 [DIN 7991] (x 4) M6 T-Slot nuts (x 4)
2dof-220_components.jpg
Info
QS-220 adapter brackets for actuators are sold separately.

2.2.3 QS-220 3DoF set

QS-220 3DoF is a set composed of four actuators and two Power Cabinets. It can be used to set up various motion rigs. For installation details go to section 4.2.
Warning
Check if the package contains all listed parts. If it is incomplete, please contact the distributor/reseller.
The QS-220 3DoF package includes following components:
  • QS-220 Power Cabinet (x 2) QS-220 actuator [integrated] (x 4) Power supply cable (x 2) M-BUS communication cable (x 2) Motion Lock interlink cable (x 2) Stabilization plate (x 4)
  • Power Cabinet mounting plates (x 8) M8 x 20 bolts [DIN 912] (x 32) M6 x 16 bolts [ISO 7380-1] (x 8) M6 x 16 [DIN 7991] (x 8) M6 T-Slot nuts (x 8)
3dof-220_set_components.jpg
Info
QS-220 adapter brackets for actuators are sold separately.

2.3 Dimensions

qs-210_components-1.jpg
POWER CABINET'S MOUNTING HOLE DIMENSIONS The Power Cabinet's mounting bolts insertion depth:
  • At the bottom: CANNOT exceed 18 mm and CANNOT be less than 13 mm.
  • On the sides: CANNOT exceed 16 mm and CANNOT be less than 12 mm.
qs-sb2_hole_depth.jpg
qs-220_components_2.jpg
QS-220 'S MOUNTING HOLE DIMENSIONS The QS-220 's mounting bolts insertion depth CANNOT exceed 20 mm and CANNOT be less than 10 mm.
qs-210_hole_depth.jpg

2.4 Power requirements

QS-220 requires a 120/230± 10% VAC 50-60 Hz single phase with ground and neutral connection.
qsy_power_requirements.png
Info
Always UNWIND THE CABLE COMPLETELY when using a cable reel and untangle an extension cord before connecting the device to the power supply.
cables_unwind.png
Warning
  • The device is NOT intended to be used in an IT earthing/grounding system.
  • The product must be connected to the mains power supply with a protective earth (PE) and a residual current circuit breaker (RCCB).
If you experience issues such as unexpected shutdowns or resets during simulation, it is recommended to inspect the power cables and power source. The use of cables that do not meet the specified requirements may lead to malfunctions. To ensure proper device operation, replace any non-compliant cables with ones that meet the required specifications.

2.5 Power consumption

Tables below contain power consumption data for QS-220 3DoF setup:
230V ± 10% 50-60Hz
Single phase
HEAVY DUTYPERFORMANCEQ-MODE
Average power consumption - stress test [W]300300500
Average power consumption - typical game [W]704030
Peak power for converter
specification [kVA]
1,51,62,2
Peak current for breaker
specification [A]
7710
Info
  • Q-MODE is unavailable for QS-220 in 120 VAC environment.
  • 2DoF single set of QS-220 works only in Heavy-Duty mode.
120V ± 10% 50-60Hz
Single phase
HEAVY DUTYPERFORMANCE
Average power consumption - stress test [W]300300
Average power consumption - typical game [W]600500
Peak power for converter
specification [kVA]
1,51,5
Peak current for breaker
specification [A]
1213
Be aware that with heavy payload and/or more intense simulations average power consumption may rise.
Info
For details on switching operation modes - go to point Operation modes in section 4.11.

2.6 Maximum payload

Table below contains maximum payload and acceleration data for QS-220 3DoF setup:
Q-ModePerformance modeHeavy Duty mode
Max. velocity800mm/s400mm/s300mm/s
Max. accelerationlimited to 0.8Glimited to 0.6Glimited to 0.4G
Max. payload in 3 DoF200 kg250 kg350kg

2.7 Environmental conditions

The QS-220 should be operated within ambient conditions as specified below:
  • Indoor use and storage only
  • Temperature: 5° - 40° Celsius / 41° - 104° Fahrenheit
  • Humidity: 0% - 70% (without water vapor condensation)
  • Maximum altitude: up to 2000 m / 6561 ft

2.8 Cold start procedure

For safety reasons, and in strict compliance with the requirements of ISO 14118:2017 (E) concerning the prevention of unexpected start-up, QS-210, QS-220, QS-V20, QS-CH2, and QS-S25 motion systems require one complete cycle of the Motion Lock switch whenever power is restored after being cut off or during the start-up. Follow the steps below:
  1. Verify that the motion platform is OFF - the power switch on the Power Cabinet is not backlit, and QubicManager displays an Offline status.
    qs_motion_lock_cycle1.png
  2. Turn the Power ON. The platform will not move.
    qs_motion_lock_cycle2.png
  3. Press the Motion Lock button - diode emits constant light. The platform will not move.
    qs_motion_lock_cycle3.png
  4. Turn the Motion Lock button counterclockwise - diode blinks. The system will perform start-up calibration. Do not change the payload.
    qs_motion_lock_cycle4.png
  5. If the status displays Parked/centered or Running - the motion platform is ready for operation.
    qs_motion_lock_cycle5.png
Info
  • If the status displays
    qs_motion_lock_cycle.png
    - no need to perform a Cold start procedure, the platform is ready for operation.
  • If the platform was already powered ON while starting the QubicManager and status displays
    qs_motion_lock_cycle_2.png
    - start from step 3.
  • If the Motion Lock was already engaged during start-up and the status displays
    qs_motion_lock_cycle_3.png
    - no need to cycle through the stages, start from step 4.
  • For the procedure to work, M10 controller must be powered on (via USB) - QubicManager does not have to be running.

3 Accessories

3.1 QS-Pivot

QS-Pivot bar enables you to run a 2DoF setup - two linear actuator on the back or on the front of the platform. It can be bolted to the bottom of the aluminum frame using included hardware. The adjustment range is presented in section 3.1.4.
Info
QS-Pivot bar is an accessory purchased separately.

3.1.1 Dimensions

pivot_bar_dimensions1.png

3.1.2 QS-Pivot components

Included in the QS-Pivot box:
pivot_bar_components.png

3.1.3 Mounting to an aluminum profile cockpit

Use all of the included hardware to mount the QS-Pivot bar according to the pictures. QS-Pivot bar is to be installed to the underside of the aluminum profile. It can be installed either on the front or back of the cockpit - depending on your setup. QS-Pivot bar can be moved closer to center of the rig to increase pitch movement but it MUST be installed to a crossbeam to increase stiffness. If there is no crossbeam in the preferred installation spot - it MUST be added.
  1. Mount the installation plates to the QS-Pivot bar at a width that matches the cockpit. Mounting plates are not interchangeable because of countersunk holes - DIN 7991 bolts must sit flush inside them, when screwed in from the top.
    pivot_bar_mounting1.png
  2. Screw the QS-Pivot bar in under the cockpit using included bolts.
    pivot_bar_mounting2.png
    Info
    Use small amount of medium strength thread locker on all bolts.

3.1.4 Adjustment dimensions

For adjustment dimensions refer to the illustration below:
pivot_bar_dimensions2.png

3.1.5 Correct installation guidelines

It is possible that incorrect installation of 2 front actuators + QS-Pivot at the back may cause undesired cockpit behavior — during dynamic weaving of a high-downforce/high-grip vehicle, the actuators may lose contact with the actuator feet (bounce off the ground). Preventing actuator bouncing is crucial for user safety and for maintaining the durability of the motion platform's mechanical components. What hardware-related conditions increase the possibility of actuators bouncing off the cups/feet?
  • Actuators mounted too close together — excessive roll motion range resulting in a worsened side to side stability
  • Racing seat mounted directly over the QS-Pivot and actuators mounted too far from the user — insufficient weight over the actuators
  • Front actuators + rear QS-Pivot setup - for better stability, front QS-Pivot + back actuators setup is preferred
What software-related conditions increase the possibility of actuators bouncing off the cups/feet?
  • Highly dynamic weaving in vehicles with significant downforce or grip capabilities (e.g., open-wheelers, single seater hyper- or sports-cars, GT racing cars)
  • Ideal tire and track conditions resulting in maximum grip
  • Direct-drive steering base set to maximum force feedback, reduced damping, and increased inertia — this may cause steering wheel oscillations at high speed
  • High-speed crash with the Violent Movement Suppressor effect disabled in QubicManager software

What steps must be taken to minimize the risk of actuator bouncing off the cups?
  • DO NOT mount the actuators too close to each other — mount them on the side beams of the cockpit, not at the front
  • Consider using included flat face profile mounting adapters to space out the actuators. Go to newest Qs-220 user manual for details
  • In high downforce/grip vehicle scenarios — reduce the Overall Gain slider value or decrease the Lateral G-force and Side Slip effects gains
  • NEVER disable the Violent Movement Suppressor effect in the SFX tab by decreasing its sliders
  • DO NOT mount the seat directly over or behind the QS-Pivot — this will not only reduce the risk of actuator bouncing but also improve the overall motion sensation for the user
correct_pivot_2dof_installation.png
  • Seat directly over the QS-Pivot - unwanted inertia Actuators in front - underloaded Too close to each other - too much roll for safe operation
  • Seat moved forward - corrected weight balance Widened actuators mounting - more stable Too far away from user - underloaded
  • Seat moved away from QS-Pivot - improved weight balance Actuators closer to user - more heavily loaded Added wider adapters for stabilization - info in newest QS-220 user manual.
Warning
Keep in mind that motion platform implementations using QS-220 actuators and QS-Pivot rely on the user's ingenuity and common sense. The QS-220 is capable of highly dynamic movements based on telemetry input from the simulator, and the motion rig must therefore be built to a safe specification with that in mind. Please exercise caution when installing and using this motion set.

4 Setup and installation

4.1 Before installation

Qubic System DOES NOT approve exceeding or ignoring any of the points below and IS NOT responsible for malfunctions, failures or injuries that are results of these actions.
Warning
Risk_electric.png
Dangerous voltage level may occur in the Power Cabinet and connected cables during the operation and up for a few minutes after turning off the machine. Do not touch the device when the power switch is on.
Warning
do_not_lift_by_the_cable_EN.jpg
  • Cables MUST NOT be stretched and should be arranged in a way that prevents them from getting under the actuator or any part that can crush or tear them.
  • DO NOT place the actuators down on the cable side on any surface - always place them down with cable side up to avoid cable damage.
  • Each actuator MUST BE used with the Stabilization Plate on and should be placed on a flat surface.
  • DO NOT use the actuators on a soft or fragile surface like rubber, glass, or foam.
  • Be aware that QS-220 will crawl a little in every direction during normal operation. These movements could damage the surface in the long term. The manufacturer, its subsidiaries and their partners are not responsible for any floor damages.
  • DO NOT mount the rig in tight or cluttered spaces - remember that actuators set motion to the cockpit and nothing should restrict its motion range.
  • Seat belts and any other harness should be mounted as part of a moving cockpit and move together with the seat. DO NOT attach them to any stationary part of the rig or ground.
  • If you want to use the QS-220 in an unusual application and you are not sure, that the desired setup is attainable - contact the distributor/reseller.
Before installing the actuators to a cockpit, actuator feet must be screwed in:
qs-220-210_foot_screw_in.png

4.2 Installing QS-220 to an aluminum profile cockpit

  • Actuators MUST BE connected with the mounting brackets with 8 bolts (M8x20) each.
  • Mounting brackets MUST BE connected with user's cockpit with 4 bolts (M8x16) each.
  • Power Cabinet has to be mounted to cockpit using at least 4 bolts (M6x16) – we recommend mounting it in the middle of the motion rig. It is possible to mount Power Cabinets using the bottom or side mounting holes. Check section 4.2.2 for details.
Warning
Ensure that the Power Cabinet will not collide with the floor in any position of the motion rig.
Illustrations below shows an example applications of assembled motion cockpits – notice that actuators have to be perpendicular to the ground:
VARIANT 1: Parallel actuators setup
3dof-qs210_actuator_straight.jpg
VARIANT 2: Diagonal actuators setup
qs-210_actuator_diagonally.jpg
Warning
All actuators MUST be mounted at the same height.
Ensure that the motion rig elements will not block air vents of the Power Cabinet. The minimum distance between the air vents and any part of the cockpit is 10 cm (4 in.).
Info
The manufacturer is not responsible for quality nor compatibility of the third-party motion rigs.

4.2.1 Mounting QS-220 actuators

Info
QS-220 adapter brackets for actuators are sold separately.
To install a single QS-220 actuator to the aluminium based profile cockpit, following hardware is provided:
No.Part descriptionQty.Torque specs
[0.5ex] 1Mounting bracket (2 pieces)2
2Bolt M8 x 20 (DIN 912)823 Nm
3T-Slot (profile 8) nut M84
4Bolt M8 x 16 (ISO 7380-1)417.5 Nm
4Washer M8 (DIN 125)4
qs-220_universal_brackets.png
Warning
All listed bolts MUST be used during assembly.
Info
Use small amount of medium strength thread locker on all bolts.
Second variant of QS-220 mounting using Universal actuator mounting brackets:
qs-220_universal_brackets_var2.png
For best fitment - in 1st step install both mounting brackets as close together as possible.
Info
qs-210-220_stabilising_pad.png
  • All actuators MUST be placed on Stabilizing pads.
  • Tolerance for piston rod misalignment relative to Stabilizing pad center point is max. 5 mm.
Warning
danger_sign_1.jpg
Remember to arrange the actuators cables correctly. They MUST NOT be stretched and should be arranged in a way that prevents them from getting under the actuator or any part that can crush or tear them.

4.2.2 Mounting the Power Cabinet

To connect the Power Cabinet to the aluminium based profile cockpit, following hardware is provided:
No.Part descriptionQty.
[0.5ex] 1Adapter plate4
2Bolt M6x16 (DIN 7991)4
3T-Slot (Profile 8) nut M64
4Bolt M6x16 (ISO 7380-1)4
Info
You can mount the Power Cabinet differently to fit your cockpit using bottom or side mounting holes. Go to section 2.3 for dimensions information.
Illustrations of Power Cabinet mounting to an aluminium based profile (profile 8) cockpit (space between two profiles must be 210 mm):
qs-sb2_mounting_bottom.jpg
qs-sb2_mounting_top.jpg
Mounting variant no. 2 There is an alternative way of mounting the QS-220 's Power Cabinet. Use the outer holes in the adapter plates to mount the Power Cabinet to a profile that is further away (272 mm between the two profiles).
sb2_mounting_variant.jpg
Warning
danger_sign.jpg
Remember to arrange the cables correctly. They MUST NOT be stretched and should be arranged in a way that prevents them from getting under the actuator or any part that can crush or tear them.

4.3 QS-220 2DoF layouts

Number of the actuator is defined by the CFG DIP switch on the Power Cabinet. For more information go to 4.4.
qs-210-2dof_layout.jpg

4.4 QS-220 2DoF CFG DIP switch configuration

The CFG DIP switch MUST BE set to an appropriate position. It specifies the actuator pair number (1-2, 3-4, 5-6, etc.). Refer to layouts (section 4.3) for 2DoF actuator numbers in a specific settings and set the CFG DIP switches accordingly.
qs-210_3dof_cfg_switches.jpg
Warning
  • When changing CFG DIP switch setting the main power must be SWITCHED OFF.
  • When changing the CFG DIP switch setting FIRMLY SET THE SWITCH into lower or upper position. Do not leave it in the floating position (neither up or down position), otherwise the device will not work.

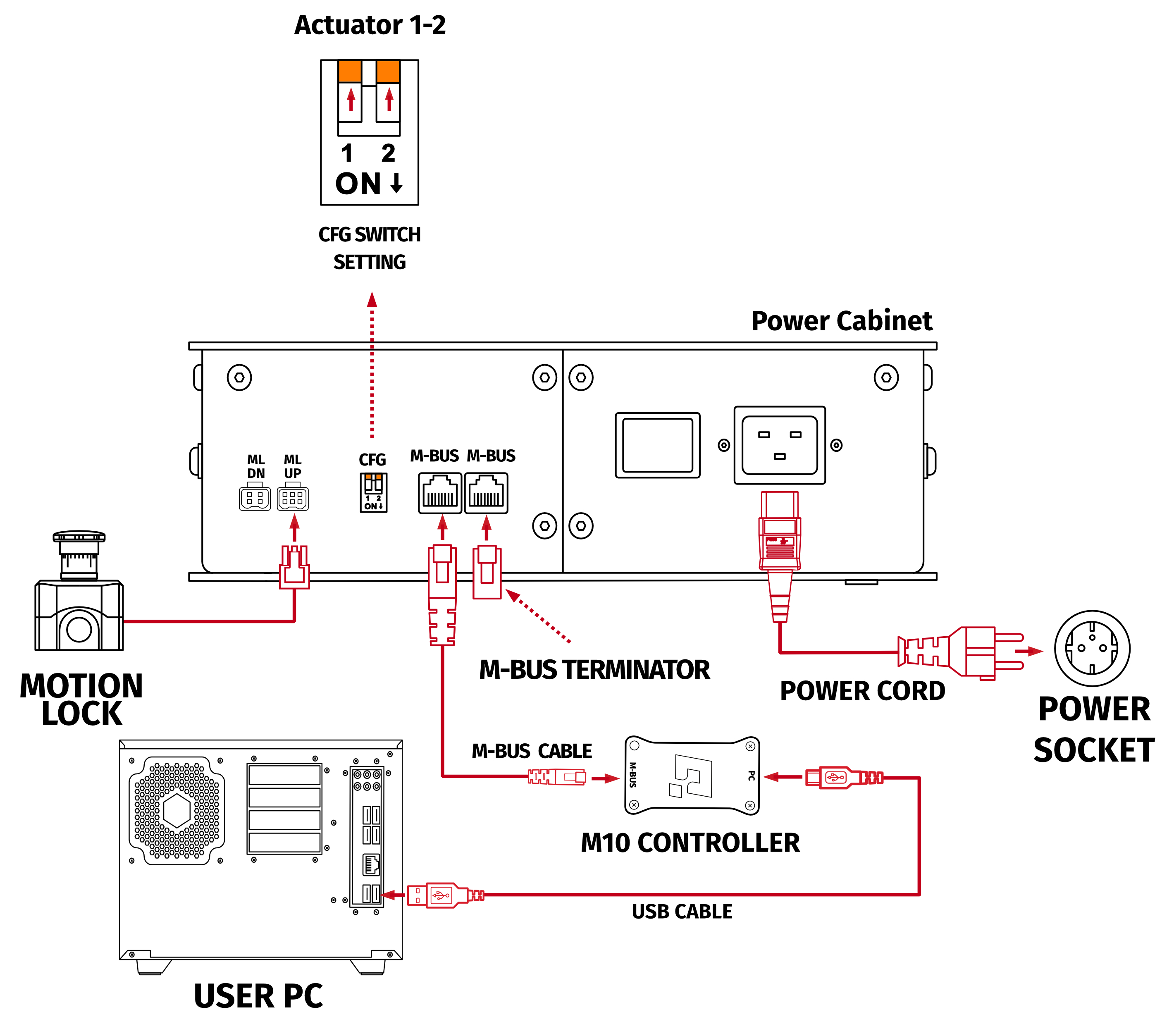
4.5 QS-220 2DoF cable connections

To connect the QS-220 2DoF variant proceed with following steps and connect the cables according to the connections diagram:
qs-sb2_cable_connection_2dof.jpg
Info
  • In the QS-220 2DoF set both the CFG DIP switches in the UP position.
    dipswitch_introset.jpg
Info
The order of connecting the cables to Power Cabinet is not important. But ensure keeping the CFG DIP switches set according to appropriate layout. Check section 4.4 for layout setup information.
  1. Set the correct position of the CFG DIP switch according to the actuators layout of your choice (more information about QS-220 2DoF CFG Switch position and layout selection in section 4.4).
  2. Plug in the Motion Lock Switch into the "ML UP" port in the Power Cabinet.
  3. In a 2DoF variant (and if you don't have any other QubicSystems devices) Motion Lock "ML DN" is not used.
  4. Connect M-BUS port in Power Cabinet with M-BUS port in M10 Controller using M-BUS communication cable (Power Cabinet M-BUS ports are interchangeable).
  5. Insert M-BUS terminator in the second M-BUS port in the Power Cabinet (if you have any other QubicSystems devices [Power Cabinets], M-BUS terminator will be used in the last Power Cabinet - for more information refer to section 4.9).
  6. Connect the M10 controller with your PC using USB cable.
  7. Plug in the power cord to the Power Cabinet and a correct power socket.
  8. Make sure everything is connected correctly (check if the CFG DIP switches are switched all the way up or down).
  9. Turn on the power by switching the Power Cabinet power switch on.
  10. For the QS-220 2DoF (or any QubicSystem device) to work - QubicManager Software must be set up correctly. Go to section 4.11 for installation details.
  11. After software installation go to QubicManagerTools and DiagnosticsDevices and select Configure (details in section Devices configure).
Info
danger_sign.jpg
In case of any motion platform operation problem - go through all the points above to check for connection errors. After that refer to section 6.

4.6 QS-220 3DoF layouts

Number of the actuator is defined by the CFG DIP switch on the Power Cabinet. For more information go to 4.7.
layouts-with-dipswitch-1-2_R.3.0.jpg
layouts-with-dipswitch-3-4_R_3.0.jpg
layouts-with-dipswitch-5-6_R.3.0.jpg
layouts-with-dipswitch-7-8_R_3.0.jpg

4.7 QS-220 3DoF CFG DIP switch configuration

The CFG DIP switch MUST BE set to an appropriate position. It specifies the actuator pair number (1-2, 3-4, 5-6, etc.). Refer to layouts (section 4.6) for actuator numbers in a specific settings and set the CFG DIP switches accordingly.
qs-210_3dof_cfg_switches.jpg
Warning
  • The CFG DIP switch CAN NOT be set in the same position in both (or more) Power Cabinets.
  • When changing CFG DIP switch setting the main power must be SWITCHED OFF.
  • When changing the CFG DIP switch setting FIRMLY SET THE SWITCH into lower or upper position. Do not leave the switch in the floating position (neither up or down position), otherwise the device will not work.

4.8 QS-220 3DoF cable connections

To connect the QS-220 3DoF variant proceed with following steps and connect the cables according to the connections diagram:
qs-210_cable_connections_3dof.jpg
Info
Motion Lock can be plugged into any Power Cabinet in the circuit but in order to create a working safety-stop system - ALL Power Cabinets in circuit must be connected together with Motion Lock interlink cables (for Motion Lock connection diagrams go to section 4.10).
  1. Set the correct position of the CFG DIP switches according to the actuators layout of your choice (more information about QS-220 3DoF CFG DIP switch position and layout selection in section 4.7).
  2. Plug in the Motion Lock Switch into the "ML UP" port in the first Power Cabinet.
  3. Connect first and second Power Cabinet with a Motion Lock interlink cable ("ML UP" port requires a 6 pin plug and "ML DN" port requires a 4 pin plug).
  4. If you have more than two Qubic System devices (Power Cabinets), refer to section 4.9 for more cable connection information.
  5. Connect M-BUS port in Power Cabinet with M-BUS port in M10 Controller using M-BUS communication cable (Power Cabinet M-BUS ports are interchangeable).
  6. Connect both Power Cabinet's M-BUS ports with M-BUS cables.
  7. Insert M-BUS terminator in the second M-BUS port in the second Power Cabinet (if you have any other QubicSystems devices [Power Cabinets], M-BUS terminator will be used in the last Power Cabinet - for more information refer to section 4.9).
  8. Connect the M10 controller with your PC using USB cable.
  9. Plug in the power cords to both Power Cabinets and a correct power sockets (separately fused, as suggested in section 2.4).
  10. Make sure everything is connected correctly (check if the CFG DIP switches are switched all the way up or down).
  11. Turn on the power by switching both Power Cabinet's power switches on.
  12. For the QS-220 3DoF (or any QubicSystem device) to work - QubicManager Software must be set up correctly. Go to section 4.11 for installation details.
  13. After software installation go to QubicManagerTools and DiagnosticsDevices and select Configure (details in section Devices configure).
Info
  • In case of any motion platform operation problem - go through all the points above to check for connection errors. After that refer to section 6.
  • The order of connecting the cables to Power Cabinets is not important, you can connect the M10 controller or Motion Lock Switch to either of the Power Cabinets. But ensure keeping the CFG DIP switches set according to appropriate layout. Check section 4.6 for layout setup information.

4.9 QS-220 with QS-CH2 cable connections

Example of QS-220 3DoF connecting with a traction loss system (QS-CH2).
qs-220_cable_connections_3dof-ch2.png
  1. Set the correct position of the CFG DIP switches according to the actuators layout of your choice (more information about QS-220 3DoF CFG DIP switch position and layout selection in section 4.7).
  2. Set the correct position of the QS-CH2 CFG DIP switch, according to a diagram from a previous page.
  3. Plug in the Motion Lock Switch into the "ML UP" port in the first of QS-220 's Power Cabinet.
  4. Connect all Power Cabinets with a Motion Lock interlink cables ("ML UP" port requires a 6 pin plug and "ML DN" port requires a 4 pin plug).
  5. "ML DN" port in the last Power Cabinet will not be used.
  6. Connect M-BUS port in Power Cabinet with M-BUS port in M10 Controller using M-BUS communication cable (Power Cabinet M-BUS ports are interchangeable).
  7. Connect all Power Cabinet's M-BUS ports with M-BUS cables in a row.
  8. Insert M-BUS terminator in the last M-BUS port in the last Power Cabinet.
  9. Maximum amount of interconnected Power Cabinets is 12.
  10. Connect the M10 controller with your PC using USB cable.
  11. Plug in the power cords to all the Power Cabinets and a correct power sockets (separately fused, as suggested in section 2.4).
  12. Make sure everything is connected correctly (check if the CFG DIP switches are switched all the way up or down).
  13. Turn on the power by switching all the Power Cabinet's power switches on.
  14. For the QS-220 3DoF + QS-CH2 setup (or any QubicSystem devices) to work - QubicManager Software must be set up correctly. Go to section 4.11 for installation details.
  15. After software installation go to QubicManagerTools and DiagnosticsDevices and select Configure (details in section Devices configure).
Info
  • Order of connecting the cables is not important, you can connect the M10 controller or Motion Lock Switch to either of the Power Cabinet. Keep the CFG DIP switches according to appropriate layout - check section 4.7
  • When connecting QS-CH2 to other Qubic System devices which uses two Power Cabinets the CFG DIP switch on the QS-CH2 must be set to actuator 5-6 position - check section 4.9.

4.10 QS-220 with QS-CH2, QS-BT1 and QS-DD-20 Motion Lock diagrams

Neither QS-DD-20 nor QS-BT1 need a M-BUS connection with any Power Cabinet. They communicate via USB cable directly with the PC.
Info
For more information on cable connections with other Qubic System devices go to QS-BT1 User Manual (section 5.6. on page 24).
Warning
  1. All Motion Lock connections must be performed with power switched OFF.
  2. Motion Lock interlink cables have different ML/UP (6 pin) and ML/DN (4 pin) plugs on each side.
Info
  • We recommend including QS-220 in the Motion Lock circuit, if you are running other QS-series devices. Refer to diagrams below.
  • Motion Lock can be plugged into any Power Cabinet in circuit but in order to create a working safety-stop system - ALL Power Cabinets in circuit must be connected together with Motion Lock interlink cables.
 
Diagrams below show Motion Lock connections with QS-220 and QS-DD-20, QS-BT1 and two of them combined in various variants. 1. QS-220 3DoF with a seat belt tensioner (QS-BT1). Variant #1
motion_lock_diagram_3.jpg
Variant #2
motion_lock_diagram_5.jpg
2. QS-220 3DoF with a seat belt tensioner (QS-BT1) and a direct drive steering wheel (QS-DD-20).
motion_lock_diagram_1.jpg
3. QS-220 3DoF with a motion platform (QS-CH2), seat belt tensioner (QS-BT1) and a direct drive steering wheel (QS-DD-20).
motion_lock_diagram_7.jpg
4. QS-220 3DoF with a motion platform (QS-CH2) and seat belt tensioner (QS-BT1).
motion_lock_diagram_8.jpg
5. QS-220 2DoF with a seat belt tensioner (QS-BT1).
motion_lock_diagram_2.jpg

4.11 Software Installation

The SERIAL NUMBER can be found on the M10 identification label in the XXXXXX-XXXXXX-XXXXX-XXXXXX format. This serial number is also used for activation of FSMI (ForceSeatMI) and MT (Motion Theater) licenses - check information in section Serial number.
QS-220-PL-serialnumber.png
Software installation procedure:
  1. Connect the devices according to the cables connection diagram - see section 4.5 for QS-220 2DoF (p. ), section 4.8 for QS-220 3DoF (p. ) or section 4.9 for QS-220 3DoF + QS-CH2 (p. 4.9).
  2. Download QubicManager from QubicSystem.com/Download
  3. Enter the serial number located on the identification label.
    Info
    Alternatively, you can download a small application that will read the code directly from your device (if it is connected via USB): Download link
  4. Proceed with the installation steps and launch the application.
  5. Turn on the device by switching on the power switch button on the Power Cabinet (on all of them, if you have more than one)
    qs-sb2_power_switch.png
  6. Cycle through the Motion Lock Switch positions - press and unpress it (go to section 2.8 for details on the procedure).
  7. The QS-220 will perform a start-up calibration - DO NOT change the payload of the QS-220 until the procedure is over.
  8. If QubicManager has recognized the QS-220 correctly, the status of the machine visible in the lower left corner will change to Connected.
  9. Check Action Center on the right side panel for a list of actions that requires attention:
    qubicmanager_software_installation_screenshots1.jpg
    It is possible to solve them one by one or by pressing the Resolve All button. Firmware update may require additional confirmation in the dialogue box.
    resolve_all.png
  10. Go to Tools and DiagnosticsDevices and select Configure.
    configure_2.png
  11. For QS-220 2DoF set: Choose the correct layout variant from the list (2 actuators setup).
    Screenshot_QS1.jpg
    For QS-220 3DoF set: Choose the correct layout variant from the list (4 actuators setup).
    Screenshot_QS2.jpg
    For QS-220 3DoF set with traction loss control (QS-CH2): Choose the correct layout variant from the list (4A+T setup).
    Screenshot_QS3.jpg
  12. Measure the width between front side actuators. Enter the value in the platform dimensions Width field (in millimeters).
  13. Measure the length between front and rear side actuators. Enter the value in the platform dimensions Length field (in millimeters).
    Screenshot_QS4.png
    Info
    To locate the actuator by number - click on it to make it vibrate.
  14. Scroll down and choose one of the operation modes:
    Screenshot_operation_mode.png
    Info
    Q-MODE is unavailable for QS-220 in 120 VAC environment.
  15. Close the configuration and return to the main application window. Choose the game and check profile details by clicking on the game tile.
    Info
    Default profiles are integrated with the software and do not require additional installation. List of supported games is available at: QubicSystem.com/Supported-games.
    qubicmanager_software_installation_screenshots2.jpg
  16. Adjust the motion effects intensity up to your preferences in the game profile window. Scroll down to see all of the settings.
    qubicmanager_software_installation_screenshots3.jpg
  17. Activate a profile by clicking the Activate button.
    qubicmanager_software_installation_screenshots4.jpg
  18. Launch the game by clicking the Run the game button.
    qubicmanager_software_installation_screenshots5.jpg
  19. You can also adjust the settings during the game simulation by pressing ALT+TAB and switching between the applications - once the profile is active changes will apply instantly.
Info
If you need the serial number to activate other software licenses such as ForceSeatMI or ForceSeatDI, it can be found in the QubicManager. After connecting the QS-220 go to Tools and DiagnosticsDevices. Serial number is visible under the device name:
serial_number.png
 
Warning
The software is provided "as is", without warranty of any kind, express or implied, including but not limited to the warranties of merchantability, fitness for a particular purpose, and non-infringement. In no event will the authors or copyright holders be liable for any claim, damage, or other liability, whether in an action of contract, tort or otherwise, arising from, out of, or in connection with the software or the use or other dealings in the software. The software sends anonymous usage data to the Motion Systems company. The data is used to improve the software and game profiles. The data is not used for advertising purposes.

5 Maintenance and Cleaning

Info
Cleaning should be conducted every 160 working hours or once a month. To see the working hours counter, go to Tools and diagnosticsDevices. It is displayed in the QS-220 device listing:
Screenshot_worktime.png
To minimize the risk of abnormal heating that can result in system failure, keep the QS-220 uncovered, clean and dust-free. Cleaning the unit should be performed with a soft, dry cloth. DO NOT use solvents or cleaners that may corrode or damage materials of parts used in the QS-220 in any other way. If any of the above mentioned elements is dirty or dusty use clean cloth to remove it. Isopropyl alcohol can be used to remove contamination caused by lubricants.

5.1 Platform Level Calibration

Slight imbalance may occur from uneven floor or imperfect cockpit structure.
Warning
  • Minor differences in levelling will not affect the performance of the system. Platform levelling should be performed ONLY in case of excessive platform imbalance - more than 1000 mA difference.
    balance_indicator.png
  • Actuators DO NOT hold a balanced position after switching the power OFF.
Platform levelling is available at Tools and Diagnostics →  Devices →  Levelling. Procedure:
  1. Click Generate base signal for the platform to check the level on each actuator - it will move up and down in sinusoidal motion.
    qs-210-220_platform_levelling.png
    Info
    User should be outside of the cockpit.
  2. Wait for the balance to be measured.
  3. Use the arrows to reduce (UP) or increase (DOWN) the load on back and front actuators.
  4. Wait for the balance to be measured again.
  5. Continue until a satisfactory result will be achieved.

5.2 Checking Motion Lock button

At least once a month check if Motion Lock button is working correctly:
  1. Before anyone steps into the platform - turn on the QS-220 .
  2. Push the red Motion Lock button. Device status will change:
    Screenshot_platform_status_motion-lock.png
  3. The machine should stop and not react to any signal.
  4. Turn on a simulation or a game to confirm that - with a correct profile activated proceed to a game or a simulation and engage movement.
If the Motion Lock Button works correctly - platform does not react nor move in any way.
x
If the Motion Lock button does not work correctly - platform proceeds to simulate motion from the game/simulation. Check the cable connection and repeat the test. If the problem persists - DO NOT use the platform, power it off and contact technical support immediately.

5.3 Actuator seal lubrication

To minimize the risk of actuator failure, visually check the condition of rubber seals once a month.
actuator_rubber_seal_1.png
Actuator seals need lubricating ONLY if the actuator starts emitting squeaking noises (that happens ONLY after an extended period of operation). In order to lubricate the seals:
  1. Go to QubicManager →  Tools and Diagnostics →  Platform diagnostics →  Motions (IK) tab →  set the Max Speed to 10% →  drive the C1 Heave slider all the way to the right - beware, the platform will lift to its maximum range.
  2. Clean the whole piston rod thoroughly with a clean microfiber cloth.
  3. Spray silicone grease evenly around the piston rod close to the housing:
    actuator_rubber_seal_2.png
  4. Go back to Platform diagnostic window →  Sinus Motions (IK) →  in the Amplitude of C1: Heave slot type in "50" →  tick "Enable" (beware - heave sinus motion will begin). Allow the motion platform to run for 30-60 seconds.
  5. After 30-60 second stop the sinus motion by unticking "Enable".
  6. Repeat step number 1. to raise the platform.
  7. Wipe off the residue of silicone grease from the piston rods.
  8. Close the Platform diagnostic window - the platform will rest slowly on the actuators.
Info
  • Manufacturer tested silicon grease specifications: working conditions (°C): -40 do +200, density (g/cm3): 1,02, NLGI class: 2, worked penetration: 220-270, dielectric constant (100 Hz): 2,9, breakdown voltage (kV/mm): 30, pH of water lift: 4 to 6.
  • Alternatively to silicone grease spray - good quality red bearing grease may be applied.

6 Troubleshooting

Warning
DO NOT attempt to do any repairs by yourself. It could be dangerous and will result in loss of warranty! Repairs should be consulted with technical support and then performed by a qualified technician.
Before contacting technical support, try this:
  • Check Action Center in QubicManager.
  • Check all cable connections in the device.
  • Restart QubicManager application by right-click on the application icon in the system tray and selecting Restart:
    Screenshot_app_restart.jpg
  • Check Motion Lock Switch position (should be unpressed to activate the motion) :
    estop_positions.jpg
  • Try different USB ports (also try bypassing the USB hub by a direct PC connection).
  • If a problem occurred abruptly, it could be caused by a thermal protection. Turn off the QS-220 , disconnect it from power outlets and wait at least 15 minutes to let it cool down. Try turning it on again later.
  • In case of any unclear electrical issues, strange behavior or abnormal work conditions, contact technical support.

6.1 QubicManager device statuses

status_not_connected.png
- no device is detected. If status appears while devices are connected - indicates that firmware update failed (requires firmware recovery) or M10 controller or USB connection is at fault. Check USB connection for loose connections, try different USB ports, bypass any USB hubs, swap USB cable for a different one.
status_offline.png
- Power Cabinets are disconnected or not powered. If this status appears during operation - check power cords, power switches, CFG DIP switches configuration and M-BUS connection cables.
status_running.png
- the device is in simulation/receives input signal.
status_paused.png
- the device is paused (Pause button at the bottom of the QubicManager window).
status_motion_lock.png
- Motion Lock system has been triggered. Unpress the Motion lock button, check the Motion Lock button cable/connection. In a setup with no Motion Lock button - check the Motion Lock jumper.
status_cycle_motion_lock.png
- the device is waiting for a cold start procedure (more details).
status_pending_ref_run.png
- the device is performing calibration/reference run. DO NOT change the payload.
status_parking.png
- the device is parking (the game/simulation was paused or no telemetry input is available).
status_parked.png
- the device achieved parking position and is in stand-by mode. It is powered, connected and ready to be operational.
status_connected_with_issues.png
- there is an issue with the connection or power - check the working status in Tools and diagnostic →  Devices.
Info
  • ALL diagnostics and cable connection inspections MUST be performed with the device powered OFF.
  • If any of error statuses persist after performing the troubleshooting steps - please contact technical support.

6.2 Common problems with solutions

  • Problem: QubicManager software crashes on launch with an OpenGL error. Solution long-term #1: This issue is caused by graphics drivers. Try to downgrade to a previous version of graphics drivers or check for updates. Solution short-term: To open the app, click OK on all the operating system errors. Restart the QubicManager software and you will be presented with a window:
    opengl_error_3.png
    Click "YES" if you want run the application in Safe Mode (it will run a little slower). Solution long-term #2: In order to overwrite the OpenGL rendering backend permanently, type in troubleshooting in Windows search bar. Select Qubic System Troubleshooting Assistant.
    opengl_error_1.png
    In the prompt window, type 6 on your keyboard and click Enter. Restart the QubicManager application.
    opengl_error_2.png

6.3 Creating a snapshot

A snapshot is the easiest and fastest way to diagnose a problem. If you send in the zip file generated in the snapshot menu along with a description of the problem, technical support receives all the necessary information about the product and its configuration. It can be then analyzed to provide the best solution.
Info
The QS-220 and all interconnected Power Cabinets MUST BE be powered up when creating the snapshot.
  1. Open the main window of the QubicManager application.
  2. Go to Tools and Diagnostic →  About / Support.
    qubicmanager_software_installation_screenshots6.jpg
  3. Open the Snapshot window:
    qubicmanager_software_installation_screenshots7.jpg
  4. Select data that will be included in the snapshot.
  5. Scroll down, consent to the technical support terms and conditions and select Create & Show:
    Screenshot_QS_snapshot2.jpg
  6. The snapshot has been created, click the OK button - the folder with the snapshot ZIP file will open.
    snapshot_2.png
  7. Attach the snapshot ZIP file to your support request.
Alternatively, click Snapshot icon in the top-right corner of the Action Center:
creating_snapshot.png

6.4 Discord channel

We strongly recommend joining our discord channel, where our growing community is sharing amazing tips and ideas of how to set up, use and tune the Qubic System products. You can also send questions for our staff or get answers directly from the community.
Join our discord channel by following the invitation link:
discord_qr-code.png

7 Advanced applications

Info
Examples shown in this section describe optional application of external safety and power cut-off devices. If you wish to expand the functionality of your motion system, read the whole section to have a good understanding of how to apply and what functionality to expect. Apply at your own discretion.
Warning
Motion Lock input is not a SIL/PL (safety integrity level/performance level) rated and DOES NOT guarantee safety. If you wish to achieve specific SIL/PL ranking, consider introducing a power cut-off device that is controlled by an external safety relay and cuts off the power to all QS-SB2. Example application of the power cut-off contactor can be found in section 7.3.2 and 7.3.3.
Info
When applying safety relay to the Motion Lock :
  • Use input cables according to your safety relay manual.
  • Use output cables according to your safety relay manual and cross section no less than 0,75 mm2
  • Implementing an additional safety relay requires deactivating Motion Lock cycle procedure at the power up. In order to do that, go to "Tools and diagnostics" →  "Devices" →  click "Quick codes" next to a "HVFMC200" item →  enter code "7c2f47a2" →  click "Execute" →  wait for the operation to finish →  repeat for every HVFMC200 with an unique Serial Number (every second item).

7.1 Adding additional devices to the motion lock circuit

If there is necessity to stop other devices, apart from the QS-220 , ML (Motion Lock) and additional user devices can be controlled by safety relay outputs. In the example application, the E-STOP button is connected to the external safety relay. When the E-STOP is triggered, the safety relay will activate the Motion Lock function, which will stop motion of the platform and additional devices.
Example application of single-channel safety relay that controls ML and additional devices:
motion-lock-circuit_2_rgb.jpg
Example wiring diagram of application of one-channel safety relay with E-STOP button:
Estop_relay.jpg

7.2 Implementing the working zone protection

To protect bystanders from accidental hit from moving parts of the platform, safety gate with opening sensor* can be connected to safety relay input for activating ML function. When the gate opens, the safety relay output activates the ML (Motion Lock) function and stops the motion of the platform.
Example application of safety gate opening sensor:
power_cabinet_safety_fence_rgb.jpg
*Check your safety relay manual for list of applicable sensors

7.3 Increasing safety level

Warning
Modifications of the safety system, involving application of the power line contactors, shall be performed only by somebody competent. A competent person is a qualified and knowledgeable person, who because of their training and experience has the knowledge required to apply those changes. It is user responsibility to commission modification of the safety system to a competent person, experienced with industrial wiring practices, which will be required to undertake the installation. Commissioning shall be undertaken by a trained electrical technician experienced in safety installations.
 

7.3.1 Assembling Motion Lock jumper

To apply solutions which require using power line contactors, Motion Lock connection cables in the QS-SB2 power cabinet needs to be replaced with jumpers. To prepare a jumper, you need to assemble recommended connector as shown below:
motion_lock_jumper_rgb.jpg

7.3.2 Adding power-cut circuit with E-STOP button

If specific SIL/PL rated level needs to be achieved, it might be necessary to install a power cut-off device. Two contactors connected in series and controlled by safety relay can be used to provide or cut-off power line to QS-SB2 power cabinets. When safety function on safety relay input is triggered, a safety relay will switch off the contactors, thus cutting-off the power to the platform. To apply this solution, ML UP connection cables needs to be replaced with prepared jumper as described in section 7.3.1.
Info
To achieve required safety performance level it is necessary to perform safety risk assessment at user site.
Example application of power line contactors and E-STOP button:
power_line_contactors_RGB.jpg
Info
In order to increase SIL/PL level it's a good practice to apply well-known contactors of two different manufacturers in order to decrease probability of failure resulting from serial production.
Example wiring diagram of application of power line contactors and one-channel safety relay with E-STOP:
contactors_dual_channel.jpg
Info
PE (protective grounding/earthing) connection is omitted for better transparency

7.3.3 Implementing the working zone protection with power-cut circuit

In example application contactors connected in series provide power line to the QS-SB2 power cabinets. When safety function on safety relay input is triggered, a safety relay will switch off the power contactors, thus cutting-off the power to the platform.
Example application of power line contactors with safety gate opening sensor:
safety_gate_contactors_rgb.jpg
*Check your safety relay manual for list of applicable opening sensors
Info
When applying safety relay and contactors to the power line remember to:
  • Use control cables according to your safety relay manual
  • Power line cables shall be chosen accordingly to power requirements of motion system. See power requirements of specific motion system.

7.4 Implementing non-factory Motion lock switch

For non-factory Motion Lock plug setup, you must assemble plug and connectors as shown below:
qs-bt1_motionlock_plug_and_pin.png
If you want to assemble custom Motion Lock switch or a button box setup (only Double Pole Single Throw switch compatible) using QubicSystem Motion Lock interlink cable, follow the diagrams below:
qs-bt1_motionlock_alt_diagram.png

8 Conformity information

CE_conformity_information.png
The QS-220 meets the requirements of CE marking and relevant regulations of the EMC Directive 2014/30/EU.

9 Environmental Impact and Disposal

disposal.png
DO NOT dispose of this product with standard household waste but drop it off at a collection point for the disposal of Waste Electrical and Electronic Equipment for recycling.
QS-220 is shipped with wooden cases/cardboard boxes. If the packaging is no longer needed, it can be fully recycled. QS-220 is an advanced device and if stored or disposed of incorrectly it could harm the environment or/and other people. When the device is no longer in use it should be disposed in environmental safe manner in compliance with applicable local work and environmental protection regulations. If no other agreement of disposal was concluded, the device shall be dismantled for disposal as follows:
  • Metal parts should be scrapped.
  • Electric and electronic components should be disposed of in the specialized disposal center.
  • Other materials should be sorted and disposed of accordingly to the local law and regulations.

10 Liability Disclaimer

If permitted under applicable law, Motion Systems and its subsidiaries disclaim all liability for any damages caused by one or more of the following:
  • The product has been modified, opened, or altered.
  • Failure to comply with assembly instructions.
  • Inappropriate or abusive use, negligence, an accident (an impact - for example).
  • Normal wear.
Info
If permitted under applicable law, Motion Systems and its subsidiaries disclaim all liability for any damages unrelated to the material or manufacturing defect with respect to the product (including, but not limited to, any damages caused directly or indirectly by any software, or by combining the QS-220 with any unsuitable element or other elements not supplied or not approved by Motion Systems for this product).

11 Warranty

Motion Systems warrants to the consumer that this product shall be free from defects in materials and workmanship, for a warranty period which corresponds to the time limit to bring an action for concerning this product. For commercial customers there is a one (1) year limited warranty, starting on the original date of purchase. For non-commercial customers there are two (2) years warranty, starting on the original date of purchase. Within the warranty period, the product will be repaired or replaced free of charge, excluding shipping charges. This warranty shall not apply:
  • If the product has been modified, opened, altered, or has suffered damage as a result of inappropriate or abusive use, negligence, an accident, normal wear, or any other cause unrelated to a material or manufacturing defect (including, but not limited to, combining the QS-220 with any unsuitable element, including in particular power supplies, chargers, or any other elements not supplied or approved by Motion Systems for this product).
  • In the event of failure to comply with the instructions provided by technical support.
  • To software (said software being subject to a specific warranty).
  • To accessories (cables, cases, for example).
  • If the product was sold at public auction or if the product has suffered damage as a result of force majeure: flood, fire, earthquake, storm.
This warranty is non-transferable. No new warranty period commences if the product is repaired or replaced. Your statutory rights towards the seller are not affected or restricted by this warranty. Motion Systems, and their partners are not liable for any indirect, incidental, or punitive damages from use of this product. In case of malfunction during the warranty period immediately contact technical support.

12 Copyright

Qubic System is a trademark of Motion Systems. All rights reserved. All the contents in this user manual are the intellectual property of Motion Systems. No part of this manual, including the products and software described in it, shall be modified or translated into any language without the prior written permission of Motion Systems. Specifications and information in this manual are subject to change at any time without obligation to notify any person of such revision or changes. Illustrations are not binding.
Info
Trademark Notice - All brand names, icons, and trademarks that appeared in this manual are the sole property of their respective holders.

13 Manufacturer information

Qubic System is a brand
that belongs to Motion Systems
HQ address:
Miedziana 7 Street
55-003 Nadolice Wielkie
Poland
qr_motionsystems.png
Motion Systems homepage
qr_qubicsystem.png
QubicSystem homepage
Info
In support queries please contact your reseller.