Documentation Library
Qubic System — product manuals and technical documentation.
73 manuals
·
5 categories
Software
Software applications and simulation guides
Hardware
Motion platform hardware manuals
Tutorials
Step-by-step guides and tutorials
Product Cards
Product specification sheets and datasheets
Miscellaneous
Wallpapers and additional resources
3D Prints
3D printable models for motion platforms
QS-V20
User manual for QS-V20.
Contents
1 Safety precautions
Read all safety instructions before installing and using this product. Save this document for future reference. If ownership of this product is transferred, be sure to include this manual.Following coloured frames are used in this manual to draw attention to important information or warnings:
Info
The instructions included in this frame indicate information that is considered important, but not injury- or damage-related.
Warning
The instructions included in this frame indicate a dangerous situation that, if not avoided, could result in a user injury or device damage.
1.1 General safety
Warning

Keep hands and feet away from the moving parts when device is in motion.
Warning

Always ensure that cockpit attachment points can withstand forces generated by the QS-V20 (approved construction or tested for expected load). Check the cockpit for loose mounting points.
Warning

To reduce the risk of burns, fire, electrical shock, injury or mechanical damage always TURN OFF THE POWER SUPPLY before plugging and unplugging the QS-V20.
Dangerous voltages level can be present in Power Cabinet for a few minutes after turning off the machine.
Dangerous voltages level can be present in Power Cabinet for a few minutes after turning off the machine.
Warning

The device is intended solely for individuals OVER THE AGE OF 16. In case of use by individuals with limited physical, sensory, or mental capabilities, strict supervision is required. Read safety instructions before using the device.
To reduce the risk of burns, fire, electrical shock, injury or mechanical damage:
- Use the QS-V20 only for its intended purpose, according to instructions.
- Unplug the QS-V20 from the power supply if it is not used for an extended period or when there is a need to perform hardware installation, maintenance, servicing or repairs.
- Turn off the QS-V20 when it is not in use.
- The QS-V20 was designed for indoor use only - DO NOT store or use the product outdoors.
- Keep the QS-V20 away from the heat sources, high humidity, water, and other liquids. DO NOT store in cold place where water condensation may occur.
- DO NOT disassemble the product. Any tampering with or altering the product will void the warranty, poses a serious risk of electric shock, and may irreparably damage the product.
- DO NOT cover the ventilation holes in the Power Cabinet.
- Keep the power cord plug and the socket dry, clean and dust-free.
- Protect the power cord from damage caused by being stepped on, rubbed against, or pinched.
- DO NOT use the QS-V20 if the ambient temperature is below 5° Celsius (41° Fahrenheit) or above 40° Celsius (104° Fahrenheit).
- DO NOT use the QS-V20 if it has been damaged, or any component is broken or missing. Please contact technical support.
- DO NOT use attachments or replacement parts not recommended or approved by the manufacturer. If you must replace a power cord, use only certified products with the same rating as the one being replaced.
- Connect the QS-V20 to a properly grounded outlet only and ground the cockpit to facility's solid protective earth/ground. See section 3.6 for details.
- If you want to increase safety level of the system, you can add external safety devices. For detailed information check section 6.
Warning
Always turn all the power switches OFF on the QS-SB2 power cabinets before plugging and unplugging the QS-V20. Dangerous voltages level can be present in Power Cabinet for a few minutes after turning off the machine.

Warning
Stop using the QS-V20 immediately and contact technical support when the machine starts to emit unusual noise, smoke or any other suspicious behavior indicating the machine is not working properly.
1.2 Health and Safety Instruction
Warning
As with any mechanical device, user is the one responsible for inspecting the condition of the machine before using it and ensuring safe working conditions.
Warning
Plugging and unplugging the actuator must ALWAYS be performed with Power Cabinet's power switched OFF.
For more information go to section 3.7.
Always make sure that all PUSH-PULL connectors are plugged all the way in - ring lock MUST click into place. Loose connections may result in serious actuator damage.
For more information go to section 3.7.

1.2.1 Before start
- Ensure that nothing is blocking machine's movements or air vents. The minimum distance between the air vents in the Power Cabinet's and any outside part of the cockpit equipment is 10 cm (4 in).

- Check if cables are mounted correctly – they must NOT be stretched or loosely connected to the socket. Placed them out of the moving range of the device components.
- Check if all components are correctly mounted.
- Check if there are no sharp edges near the moving range of the cockpit.
Warning

Dangerous voltage level are present in the Power Cabinet and cables during the operation and for up to a few minutes after turning off the machine.
- Ensure that power supply in your facility meets requirements listed in section 2.5.
- DO NOT use the QS-V20 on very soft or fragile surfaces like rubber, glass, or foam.
- Ensure that all QS-V20 modules are mounted properly.
- DO NOT mount the rig in tight or cluttered spaces – remember that QS-V20 moves and nothing should restrict its motion range.
- Unbolt the transportation wheels on front and back side of the QS-V20 before starting simulation. DO NOT use the platform with attached transportation wheels.
- Seatbelts and other harnesses should be mounted to parts of the motion rig that move in the same way as the seat. DO NOT attach them to any static part or ground.
- Cables must not be stretched and should be kept in a way that prevents them from getting under actuator or any part that can crush or tear them.
- If you want to use the QS-V20 in an unusual application, and you are not sure, that the desired setup is feasible, please contact, the distributor/reseller.
- Check if cables are mounted properly – they are not stretched or loosely connected to the socket.
- Check if there are no objects in the motion range of the platform.
- Check that all elements are properly fixed.
- Check if there are no sharp edges nearby.
- Check if everyone around is aware of machine rapid movements.
- Make sure that no one stands in the range of motion (safe distance is minimum 1.5 m).
- When the QS-V20 is turned on, it requires Motion Lock button cycle and then performs a start-up calibration. For details go to section 2.9.WarningIn order to perform a calibration, QS-V20 will move after turning the power on and cycling the Motion Lock button. Stay in the safe distance from that movement and do not try to interrupt it.
- DO NOT interrupt or change the weight of payload mounted to the QS-V20 during the calibration run.
- Motion Lock Switch should be mounted close to the operator or user of the machine – it has to be easily reachable in every situation.
- Check Motion Lock Switch AT LEAST once a month to reduce the possibility of unknown failure – more information available in chapter 4.
- Before getting on or off the machine ALWAYS activate Motion Lock (press the red button).
- In case of game crash or freeze, the Motion Lock Switch must be pressed before getting off the machine.InfoTo check if the QS-V20 is in the Motion Lock mode - go to QubicManager application main window. Platform status is displayed in the lower left corner of the main application window:
InfoMotion Lock input is not SIL/PL (safety integrity level/performance level) rated and DOES NOT guarantee safety. If you wish to achieve specific SIL/PL ranking, consider introducing a power cut-off device that is controlled by an external safety relay and cuts off the power to all Power Cabinets. Example application of the power cut-off contactor can be found in section 6.3.2 and 6.3.3 and. - For VR Headset users:
- Remove the VR goggles before entering or exiting the rig.
- Ensure that VR Headset is not limiting the operation range of QS-V20.
- Check if the whole VR setup is not in range of motion of the machine.
- DO NOT place the connection loosely under the motion rig.InfoCheck if connected PC is capable of running the game at stable 90 frames per second or more when VR Headset is used. Lower values can cause VR sickness.
- STOP USING the QS-V20 immediately if pain, fatigue or any discomfort appears.
- For every two hours of using the system, we recommend at least 15 MINUTES OF BREAK.
- DO NOT pull the wires connecting the actuators with the power cabinets.
Warning

NEVER unplug the actuator with Power Cabinet's power ON, because the actuator will launch upwards abruptly.
2 Product description
The QS-V20 is an extended 4DoF motion cockpit, designed for pro racing car simulation, dedicated to both drivers training and sim racing enthusiasts. The motion system based on world's fastest linear actuator's technology provides incredible levels of vehicle feedback to the driver. This motion platform is suitable for Rally, GT and F1 simulations, also the small footprint and lightweight design allow to fit the machine to every racing room.2.1 System components

Complete overview:

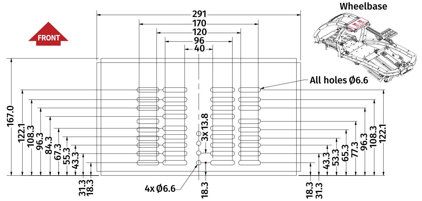
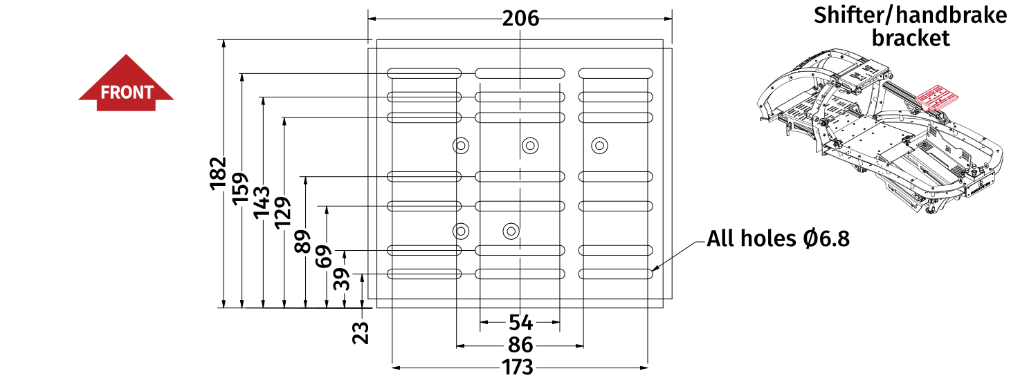
2.2 Dimensions

2.2.1 Accessories mounting holes dimensions





2.3 System specification
| QS-V20 motion system | |
|---|---|
| Architecture | 4DoF (3DoF + traction loss) |
| Actuator stroke | 100 mm |
| Product weight | 280 kg |
| Max user weight | 150 kg |
| Vibration frequency range | 0-100 Hz |
| Maximum control frequency | 1000 Hz |
| Excursions | |
| Heave | -51.8 mm, 51.5 mm |
| Roll | -7.6°, 7.6° |
| Pitch | -5.5°, 5.5° |
| Yaw (rotation point at the front actuators) | -6.1°, 6.1° |
2.4 System performance
The operating mode of the system can be changed as desired in QubicManager. System performance will change depending on the selected mode. There are three modes available:| Q-MODE 230V | ||
|---|---|---|
| Velocity | Acceleration | |
| Heave | 0.9 m/s | 8.8 m/s2 |
| Roll | 140°/s | 1500°/s2 |
| Pitch | 40°/s | 500°/s2 |
| Yaw | 75°/s | 900°/s2 |
| PERFORMANCE MODE 230V | ||
|---|---|---|
| Velocity | Acceleration | |
| Heave | 0.5 m/s | 5.9 m/s2 |
| Roll | 80°/s | 1200°/s2 |
| Pitch | 28°/s | 380°/s2 |
| Yaw | 50°/s | 710°/s2 |
| HEAVY DUTY MODE 230V | ||
|---|---|---|
| Velocity | Acceleration | |
| Heave | 0.35 m/s | 2.5 m/s2 |
| Roll | 60°/s | 450°/s2 |
| Pitch | 20°/s | 150°/s2 |
| Yaw | 35°/s | 280°/s2 |
2.5 Power requirements
QS-V20 requires a 120/230± 10% VAC 50-60 Hz single phase with ground and neutral connection.
Info
Always UNWIND THE CABLE COMPLETELY when using a cable reel and untangle an extension cord before connecting the device to the power supply.

Warning
The device is NOT intended to be used in an IT earthing/grounding system.
Warning
The product must be connected to the mains power supply with a protective earth (PE) and a residual current circuit breaker (RCCB).
2.6 Power Consumption
Tables below contain power consumption data for QS-V20:| 230V ± 10% 50-60Hz Single phase | HEAVY DUTY | PERFORMANCE | Q-MODE |
|---|---|---|---|
| Average power consumption - stress test [W] | 300 | 400 | 600 |
| Average power consumption - typical game [W] | 80 | 80 | 80 |
| Peak power for converter specification [kVA] | 1.2 | 1.4 | 3.1 |
| Average power for converter specification [kVA] | 0.6 | 0.9 | 1.6 |
| Peak current for breaker specification [A] | 6 | 7 | 15 |
Info
Q-MODE is unavailable for QS-V20 in 120 VAC environment.
| 120V ± 10% 50-60Hz Single phase | HEAVY DUTY | PERFORMANCE |
|---|---|---|
| Average power consumption - stress test [W] | 300 | 400 |
| Average power consumption - typical game [W] | 70 | 70 |
| Peak power for converter specification [kVA] | 1.0 | 1.2 |
| Average power for converter specification [kVA] | 0.5 | 0.8 |
| Peak current for breaker specification [A] | 9 | 11 |
2.7 Environmental conditions
The QS-V20 should be operated within ambient conditions as specified below:- Indoor use and storage only
- Temperature: 5° - 40° Celsius / 41° - 104° Fahrenheit
- Humidity: 0% - 70% (without water vapor condensation)
- Maximum altitude: up to 2000 m / 6561 ft
2.8 Noise emission
The QS-V20 was checked for noise level based on actual standards. Noise level during normal work condition is not over 70 dB. Measuring method is ISO 11202. Four measuring positions as shown on the picture are placed 160 cm from the floor level and 100 cm from the edge of the device.
| Measurement point | A | B | C | D |
|---|---|---|---|---|
Measurement conditions:
| 65,1 dB(A) | 65,3 dB(A) | 65,5 dB(A) | 65,7 dB(A) |
| 58,3 dB(A) | 60,2 dB(A) | 58,6 dB(A) | 57,5 dB(A) |
2.9 Cold start procedure
For safety reasons, and in strict compliance with the requirements of ISO 14118:2017 (E) concerning the prevention of unexpected start-up, QS-210, QS-220, QS-V20, QS-CH2, and QS-S25 motion systems require one complete cycle of the Motion Lock switch whenever power is restored after being cut off or during the start-up.Follow the steps below:
- Verify that the motion platform is OFF - the power switch on the Power Cabinet is not backlit, and QubicManager displays an Offline status.

- Turn the Power ON. The platform will not move.

- Press the Motion Lock button - diode emits constant light. The platform will not move.

- Turn the Motion Lock button counterclockwise - diode blinks. The system will perform start-up calibration. Do not change the payload.

- If the status displays Parked/centered or Running - the motion platform is ready for operation.

Info
- If the status displays - no need to perform a Cold start procedure, the platform is ready for operation.

- If the platform was already powered ON while starting the QubicManager and status displays - start from step 3.

- If the Motion Lock was already engaged during start-up and the status displays - no need to cycle through the stages, start from step 4.

- For the procedure to work, M10 controller must be powered on (via USB) - QubicManager does not have to be running.
3 Installation
3.1 Transportation wheels
Warning

Demounting transportation wheels is necessary before starting the simulation. It is forbidden to use the device with transportation wheels attached.
Front side transportation wheels:

Rear side transportation wheels:

Info
To avoid damaging the floor it is recommended to always remove the side steps before maneuvering the machine on the wheels. For steps disassembly details go to section 3.2.
3.2 Steps installation
Connect the steps module to the main frame with 2 x DIN 912 - M10 x 16 bolts using 8 mm hex key (max. torque - 45 Nm (33.2 fb-lbs)). Bolts are not included separately - they are screwed in the platform.
Info
Steps module can be installed on either side of the machine. Mounting holes are available symmetrically on both sides.
3.3 Switching between desk and direct drive bracket
Default steering wheel mount requires bottom mounting. Alternatively a direct drive bracket is provided.- Unscrew adjustable handles counterclockwise.
- Remove the steering wheel mount and install direct drive bracket.
- Screw in the same adjustable handles to lock the bracket in place. Use them to adjust the direct drive bracket placement.


3.4 Left side shifter holder placement

Factory assembly contains shifter/handbrake holder on the right side. QS-V20 is designed to convert for right hand drive vehicle simulation by swapping the shifter/handbrake holder with the pulling rod.
- Unscrew 6 bolts holding the shifter holder in place and remove it:

- Release the tension from the pull rod by rotating it counterclockwise until it is loose.
- Unscrew top and bottom pull rod mounting bolt and remove the pull rod.
- Unscrew and remove the pull rod mounting brackets.

- Bolt in the shifter holder with all 6 bolts (max. torque for M6 DIN 912 bolts - 9.5 Nm (7 fb-lbs); max. torque for M8 DIN 912 bolt - 23 Nm (17 fb-lbs))
- Bolt in the pull rod mounting brackets (max. torque for M8 DIN 912 bolt - 23 Nm (17 fb-lbs)).
- Bolt in both pull rod ends using all of provided hardware. DO NOT overtighten the bolts.
- Turn the pull rod clockwise until it is firmly tightened.
3.5 Interconnections
Warning
- QS-V20 's default factory setting of the CFG switches is correct and ready for operation. The diagram is provided for informational purposes only.
- Motion Lock button and interconnection cables are connected from factory. User must only connect his PC with the machine via M10 controller and power it up by plugging the power cords (as instructed in the diagram) and switch the power rocker switches ON.


Info
Order of connecting the cables is not important, keep the CFG switches setting according to the interconnections scheme.
Warning
When changing the CFG Switch setting FIRMLY SET THE SWITCH into lower or upper position. Do not leave the switch in the floating position (neither up or down position), otherwise the device will not work.
3.6 Connecting grounding wires
Ensure that before first power up, the grounding wire is connected from facility's solid protective earth/ground to the machine, using a dedicated grounding bolt at the front of the QS-V20.
3.7 Actuator connection with a Power Cabinet
Info
Revised version of the QS-V20 is equipped with push-pull actuator connectors. If your machine has integrated actuator cables, this section does not apply.
Warning
- QS-V20 's actuators are connected with Power Cabinets from factory and DO NOT require any attention from user during initial start-up procedure.
- Plugging and unplugging the actuator must ALWAYS be performed with Power Cabinet's power switched OFF.


NEVER pull the plug by the cable

Warning

Under no circumstances DO NOT plug QS-210 actuator to QS-220 Power Cabinet and QS-220 actuator to QS-210 Power Cabinet. That WILL lead to an irreversible damage to the actuators and will NOT be covered by a warranty.

Warning

NEVER unplug the actuator with Power Cabinet's power ON, because the actuator will launch upwards abruptly.
3.8 Cable management
All cables should be routed in way that prevents them from being stretched, crashed or damaged by the actuators and cockpit in motion. Cables from the accessory components that are in motion with the platform must be routed along the frame of the cockpit (using cable holders or cable ties) and released at the front, near the PC.
3.9 Machine anchoring
Depending on the floor surface, the platform may crawl in all directions during normal operation. It is recommended to anchor it to the ground.Info
Anchor bolts are not included.

Info
- It is recommended to use M16 wedge anchor bolts (x4).
- Wedge anchor bolts must be specifically matched for the type of bottom surface that the machine will be installed on. If you are not sure what type of anchoring hardware should be used - contact a construction expert/structural engineer.
3.10 Software Installation
The SERIAL NUMBER can be found on the M10 identification label in the XXXXXX-XXXXXX-XXXXX-XXXXXX format. This serial number is also used for activation of FSMI (ForceSeatMI) and MT (Motion Theater) licences - check information in section Serial number.
Software installation procedure:
- Connect the devices according to the interconnections scheme - see section 3.5
- Download QubicManager from QubicSystem.com/Download
- Enter the serial number located on the identification label.InfoAlternatively, you can download a small application that will read the code directly from your device (if it is connected via USB): Download link
- Proceed with the installation steps and launch the application.
- Turn on the device by switching on both power switches Power cabinets

- Cycle through the Motion Lock Switch positions - press and unpress it (go to section 2.9 for details on the procedure).
- The QS-V20 will perform a start-up calibration. Warning
- DO NOT change the payload during the start-up calibration.
- DO NOT enter the cockpit during the start-up calibration.
- If QubicManager has recognized the QS-V20 correctly, the status of the machine visible in the lower left corner will change to Parked/Centered.
WarningIf the device did not connect correctly:- Go over the cable connections - compare the connections to the diagram again, look for loose plugs or damaged cords.
- Go to Troubleshooting section.
- Check Action Center on the right side panel for a list of actions that requires attention:
It is possible to solve them one by one or by pressing the Resolve All button. Firmware update may require additional confirmation in the dialogue box.


- Go to Tools and Diagnostics → Devices and select Configure.

- Choose one of operation modes (by default it's Heavy-duty setting)
InfoQ-MODE is unavailable for 120V power supply. - Close the configuration and return to the main application window. Choose the game and check profile details by clicking on the game tile.
InfoDefault profiles are integrated with the software and do not require additional installation. List of supported games is available at: QubicSystem.com/Supported-games. - Adjust the motion effects intensity up to your preferences in the game profile window. Scroll down to see all of the settings.

- Activate a profile by clicking the Activate button.

- Launch the game by clicking the Run the game button.

- You can also adjust the settings during the game simulation by pressing ALT+TAB and switching between the applications - once the profile is active changes will apply instantly.
Info
Warning
The software is provided "as is", without warranty of any kind, express or implied, including but not limited to the warranties of merchantability, fitness for a particular purpose, and non-infringement. In no event will the authors or copyright holders be liable for any claim, damage, or other liability, whether in an action of contract, tort or otherwise, arising from, out of, or in connection with the software or the use or other dealings in the software.
The software sends anonymous usage data to the Motion Systems company. The data is used to improve the software and game profiles. The data is not used for advertising purposes.
The software sends anonymous usage data to the Motion Systems company. The data is used to improve the software and game profiles. The data is not used for advertising purposes.
4 Maintenance and Cleaning
Info
Cleaning should be conducted every 160 working hours or once a month.
To see the working hours counter, go to Tools and diagnostics → Devices. It is displayed in the QS-V20 device listing:
To see the working hours counter, go to Tools and diagnostics → Devices. It is displayed in the QS-V20 device listing:

If any of the above mentioned elements is dirty or dusty use clean cloth to remove it. Isopropyl alcohol can be used to remove contamination caused by lubricants.
4.1 Checking Motion Lock button
At least once a month check if Motion Lock button is working correctly:- Before anyone steps into the platform - turn on the QS-V20.
- Push the red Motion Lock button.
- The machine should stop and not react to any signal.
- Turn on a simulation or a game to confirm that - with a correct profile activated proceed to a game or a simulation and engage movement.
✓
If the Motion Lock Button works correctly - platform does not react nor move in any way.
x
If the Motion Lock button does not work correctly - platform proceeds to simulate motion from the game/simulation. Check the cable connection and repeat the test. If the problem persists - DO NOT use the platform, power it off and contact technical support immediately.
4.2 Actuator seal lubrication
To minimize the risk of actuator failure, visually check the condition of rubber seals once a month.
In order to lubricate the seals:
- Go to QubicManager → Tools and Diagnostics → Platform diagnostics → Motions (IK) tab → set the Max Speed to 10% → drive the C1 Heave slider all the way to the right - beware, the platform will lift to its maximum range.
- Clean the whole piston rod thoroughly with a clean microfiber cloth.
- Spray silicone grease evenly around the piston rod close to the housing:

- Go back to Platform diagnostic window → Sinus Motions (IK) → in the Amplitude of C1: Heave slot type in "50" → tick "Enable" (beware - heave sinus motion will begin). Allow the motion platform to run for 30-60 seconds.
- After 30-60 second stop the sinus motion by unticking "Enable".
- Repeat step number 1. to raise the platform.
- Wipe off the residue of silicone grease from the piston rods.
- Close the Platform diagnostic window - the platform will rest slowly on the actuators.
Info
- Manufacturer tested silicon grease specifications: working conditions (°C): -40 do +200, density (g/cm3): 1,02, NLGI class: 2, worked penetration: 220-270, dielectric constant (100 Hz): 2,9, breakdown voltage (kV/mm): 30, pH of water lift: 4 to 6.
- Alternatively to silicone grease spray - good quality red bearing grease may be applied.
5 Troubleshooting
Warning
DO NOT attempt to do any repairs by yourself. It could be dangerous and will result in loss of warranty! Repairs should be consulted with technical support and then performed by a qualified technician.
- Check Action Center in QubicManager.
- Check all cable connections in the device.
- Restart QubicManager application by right-click on the application icon in the system tray and selecting Restart:

- Check Motion Lock Switch position (should be unpressed to activate the motion) :

- Try different USB ports (also try bypassing the USB hub by a direct PC connection).
- If a problem occurred abruptly, it could be caused by a thermal protection. Turn off the QS-V20, disconnect it from power outlets and wait at least 15 minutes to let it cool down. Try turning it on again later.
- In case of any unclear electrical issues, strange behavior or abnormal work conditions, contact technical support.
5.1 QubicManager device statuses










Info
- ALL diagnostics and cable connection inspections MUST be performed with the device powered OFF.
- If any of error statuses persist after performing the troubleshooting steps - please contact technical support.
5.2 Common problems with solutions
- Problem: QubicManager software crashes on launch with an OpenGL error.
Solution long-term #1: This issue is caused by graphics drivers. Try to downgrade to a previous version of graphics drivers or check for updates.
Solution short-term: To open the app, click OK on all the operating system errors. Restart the QubicManager software and you will be presented with a window:Click "YES" if you want run the application in Safe Mode (it will run a little slower).
Solution long-term #2: In order to overwrite the OpenGL rendering backend permanently, type in troubleshooting in Windows search bar. Select Qubic System Troubleshooting Assistant.In the prompt window, type 6 on your keyboard and click Enter. Restart the QubicManager application.

5.3 Creating a snapshot
A snapshot is the easiest and fastest way to diagnose a problem. If you send in the zip file generated in the snapshot menu along with a description of the problem, technical support receives all the necessary information about the product and its configuration. It can be then analyzed to provide the best solution.Info
The QS-V20 and all interconnected Power Cabinets MUST BE be powered up when creating the snapshot.
- Open the main window of the QubicManager application.
- Go to Tools and Diagnostic → About / Support.

- Open the Snapshot window:

- Select data that will be included in the snapshot.
- Scroll down, consent to the technical support terms and conditions and select Create & Show:

- The snapshot has been created, click the OK button - the folder with the snapshot ZIP file will open.

- Attach the snapshot ZIP file to your support request.

5.4 Discord channel
We strongly recommend joining our discord channel, where our growing community is sharing amazing tips and ideas of how to set up, use and tune the Qubic System products. You can also send questions for our staff or get answers directly from the community.
Join our discord channel by following the invitation link:

6 Advanced applications
Info
Examples shown in this section describe optional application of external safety and power cut-off devices. If you wish to expand the functionality of your motion system, read the whole section to have a good understanding of how to apply and what functionality to expect. Apply at your own discretion.
Warning
Motion Lock input is not a SIL/PL (safety integrity level/performance level) rated and DOES NOT guarantee safety. If you wish to achieve specific SIL/PL ranking, consider introducing a power cut-off device that is controlled by an external safety relay and cuts off the power to all QS-SB2. Example application of the power cut-off contactor can be found in section 6.3.2 and 6.3.3.
Info
When applying safety relay to the Motion Lock:
- Use input cables according to your safety relay manual.
- Use output cables according to your safety relay manual and cross section no less than 0,75 mm2
- Implementing an additional safety relay requires deactivating Motion Lock cycle procedure at the power up. In order to do that, go to "Tools and diagnostics" → "Devices" → click "Quick codes" next to a "HVFMC200" item → enter code "7c2f47a2" → click "Execute" → wait for the operation to finish → repeat for every HVFMC200 with an unique Serial Number (every second item).
6.1 Adding additional devices to the motion lock circuit
If there is necessity to stop other devices, apart from the QS-V20, ML (Motion Lock) and additional user devices can be controlled by safety relay outputs. In the example application, the E-STOP button is connected to the external safety relay. When the E-STOP is triggered, the safety relay will activate the Motion Lock function, which will stop motion of the platform and additional devices.
Example application of single-channel safety relay that controls ML and additional devices:

Example wiring diagram of application of one-channel safety relay with E-STOP button:

6.2 Implementing the working zone protection
To protect bystanders from accidental hit from moving parts of the platform, safety gate with opening sensor* can be connected to safety relay input for activating ML function. When the gate opens, the safety relay output activates the ML (Motion Lock) function and stops the motion of the platform.
Example application of safety gate opening sensor:

6.3 Increasing safety level
Warning
Modifications of the safety system, involving application of the power line contactors, shall be performed only by somebody competent. A competent person is a qualified and knowledgeable person, who because of their training and experience has the knowledge required to apply those changes. It is user responsibility to commission modification of the safety system to a competent person, experienced with industrial wiring practices, which will be required to undertake the installation. Commissioning shall be undertaken by a trained electrical technician experienced in safety installations.
6.3.1 Assembling Motion Lock jumper
To apply solutions which require using power line contactors, Motion Lock connection cables in the QS-SB2 power cabinet needs to be replaced with jumpers. To prepare a jumper, you need to assemble recommended connector as shown below:
6.3.2 Adding power-cut circuit with E-STOP button
If specific SIL/PL rated level needs to be achieved, it might be necessary to install a power cut-off device. Two contactors connected in series and controlled by safety relay can be used to provide or cut-off power line to QS-SB2 power cabinets. When safety function on safety relay input is triggered, a safety relay will switch off the contactors, thus cutting-off the power to the platform. To apply this solution, ML UP connection cables needs to be replaced with prepared jumper as described in section 6.3.1.Info
To achieve required safety performance level it is necessary to perform safety risk assessment at user site.
Example application of power line contactors and E-STOP button:

Info
In order to increase SIL/PL level it's a good practice to apply well-known contactors of two different manufacturers in order to decrease probability of failure resulting from serial production.
Example wiring diagram of application of power line contactors and one-channel safety relay with E-STOP:

Info
PE (protective grounding/earthing) connection is omitted for better transparency
6.3.3 Implementing the working zone protection with power-cut circuit
In example application contactors connected in series provide power line to the QS-SB2 power cabinets. When safety function on safety relay input is triggered, a safety relay will switch off the power contactors, thus cutting-off the power to the platform.
Example application of power line contactors with safety gate opening sensor:

Info
When applying safety relay and contactors to the power line remember to:
- Use control cables according to your safety relay manual
- Power line cables shall be chosen accordingly to power requirements of motion system. See power requirements of specific motion system.
6.4 Implementing non-factory Motion lock switch
For non-factory Motion Lock plug setup, you must assemble plug and connectors as shown below:

7 Conformity information

The QS-V20 meets the requirements of CE marking and relevant regulations of the EMC Directive 2014/30/EU.
8 Environmental Impact and Disposal

DO NOT dispose of this product with standard household waste but drop it off at a collection point for the disposal of Waste Electrical and Electronic Equipment for recycling.
QS-V20 is an advanced device and if stored or disposed of incorrectly it could harm the environment or/and other people. When the device is no longer in use it should be disposed in environmental safe manner in compliance with applicable local work and environmental protection regulations. If no other agreement of disposal was concluded, the device shall be dismantled for disposal as follows:
- Metal parts should be scrapped.
- Electric and electronic components should be disposed of in the specialized disposal center.
- Other materials should be sorted and disposed of accordingly to the local law and regulations.
9 Liability Disclaimer
If permitted under applicable law, Motion Systems and its subsidiaries disclaim all liability for any damages caused by one or more of the following:- The product has been modified, opened, or altered.
- Failure to comply with assembly instructions.
- Inappropriate or abusive use, negligence, an accident (an impact - for example).
- Normal wear.
Info
If permitted under applicable law, Motion Systems and its subsidiaries disclaim all liability for any damages unrelated to the material or manufacturing defect with respect to the product (including, but not limited to, any damages caused directly or indirectly by any software, or by combining the QS-V20 with any unsuitable element or other elements not supplied or not approved by Motion Systems for this product).
10 Warranty
Motion Systems warrants to the consumer that this product shall be free from defects in materials and workmanship, for a warranty period which corresponds to the time limit to bring an action for concerning this product.For commercial customers there is a one (1) year limited warranty, starting on the original date of purchase.
For non-commercial customers there are two (2) years warranty, starting on the original date of purchase.
Within the warranty period, the product will be repaired or replaced free of charge, excluding shipping charges.
This warranty shall not apply:
- If the product has been modified, opened, altered, or has suffered damage as a result of inappropriate or abusive use, negligence, an accident, normal wear, or any other cause unrelated to a material or manufacturing defect (including, but not limited to, combining the QS-V20 with any unsuitable element, including in particular power supplies, chargers, or any other elements not supplied or approved by Motion Systems for this product).
- In the event of failure to comply with the instructions provided by technical support.
- To software (said software being subject to a specific warranty).
- To accessories (cables, cases, for example).
- If the product was sold at public auction or if the product has suffered damage as a result of force majeure: flood, fire, earthquake, storm.
11 Copyright
Qubic System is a trademark of Motion Systems. All rights reserved.All the contents in this user manual are the intellectual property of Motion Systems. No part of this manual, including the products and software described in it, shall be modified or translated into any language without the prior written permission of Motion Systems. Specifications and information in this manual are subject to change at any time without obligation to notify any person of such revision or changes. Illustrations are not binding.
Info
Trademark Notice - All brand names, icons, and trademarks that appeared in this manual are the sole property of their respective holders.
12 Manufacturer information
Qubic System is a brand
that belongs to Motion Systems
HQ address:
Miedziana 7 Street
55-003 Nadolice Wielkie
Poland
that belongs to Motion Systems
HQ address:
Miedziana 7 Street
55-003 Nadolice Wielkie
Poland
Info
In support queries please contact your reseller.



