Documentation Library
Qubic System — product manuals and technical documentation.
73 manuals
·
5 categories
Software
Software applications and simulation guides
Hardware
Motion platform hardware manuals
Tutorials
Step-by-step guides and tutorials
Product Cards
Product specification sheets and datasheets
Miscellaneous
Wallpapers and additional resources
3D Prints
3D printable models for motion platforms
QS-CH1
User manual for QS-CH1.
Contents
1 Safety precautions
Read all safety instructions before installing and using this product. Save this document for future reference. If ownership of this product is transferred, be sure to include this manual.Following coloured frames are used in this manual to draw attention to important information or warnings:
Info
The instructions included in this frame indicate information that is considered important, but not injury- or damage-related.
Warning
The instructions included in this frame indicate a dangerous situation that, if not avoided, could result in a user injury or device damage.
1.1 General safety
Warning

Keep hands and feet away from the moving parts when device is in motion.
Warning

Always ensure that cockpit attachment points can withstand forces generated by the QS-CH1 (approved construction or tested for expected load). Check the cockpit for loose mounting points.
Warning

To reduce the risk of burns, fire, electrical shock, injury or mechanical damage always TURN OFF THE POWER SUPPLY before plugging and unplugging the QS-CH1.
Dangerous voltages level can be present in Power Cabinet for a few minutes after turning off the machine.
Dangerous voltages level can be present in Power Cabinet for a few minutes after turning off the machine.
Warning

The device is intended solely for individuals OVER THE AGE OF 16. In case of use by individuals with limited physical, sensory, or mental capabilities, strict supervision is required. Read safety instructions before using the device.
Warning

The device is NOT allowed to be used by a pregnant woman.
Warning

DO NOT use the device around pets.
- Use the QS-CH1 only for its intended purpose, according to instructions.
- Unplug the QS-CH1 from the power supply if it is not used for an extended period of time or when there is a need to perform hardware installation, maintenance, service or repair.
- Turn off the QS-CH1 when it is not in use.
- The QS-CH1 was designed for indoor use only - DO NOT store or use the product outdoors.
- Keep the QS-CH1 away from heat sources, high humidity, water, and other liquids. DO NOT store in places where water vapor condensation may occur due to low temperatures.
- DO NOT disassemble the Power Cabinets or actuators. Any tampering with or altering the product will void the warranty, pose a serious risk of electric shock, and may irreparably damage the product.
- DO NOT cover the ventilation holes in the device.
- Keep the power cord plug and the socket dry, clean and dust-free.
- Protect the power cord from being damaged by being stepped on, rubbed against, or pinched.
- DO NOT use the QS-CH1 if the ambient temperature is below 5°C (41°F) or above 40°C (104°F).
- DO NOT use the QS-CH1 if it has been damaged, or any component is broken or missing. Please contact technical support.
- DO NOT use attachments or replacement parts not recommended or approved by the manufacturer. If you must replace a damaged power cord, use only certified products with the same rating as the one being replaced.
- Connect the QS-CH1 to a correctly grounded outlet only. See grounding connections in section 2.5.
- If you want to increase safety level of the system, you can add external safety devices. For detailed information check section 6.
- Use only certified components (seat, seat belts, fasteners) when installing them to QS-CH1.
Warning
Stop using the QS-CH1 immediately and contact technical support when the machine starts to emit unusual noise, smoke or any other suspicious behavior indicating the machine is not working properly.
1.2 Health and safety instruction
The safety of Qubic System users is the top priority. To protect users and bystanders against injuries caused by mechanical parts movement and electrical connectivity, the following instructions must be strictly performed.Warning
As with any mechanical device, the user is responsible for inspecting the condition of the machine prior to use and adhering to safe operating procedures.
- DO NOT use the QS-CH1 on very soft or fragile surfaces like rubber, glass, or foam.
- Ensure that all QS-CH1 modules are mounted properly.
- Be aware that QS-CH1 will crawl a little in every direction during operation. Those movements could damage the surface in the long term. Manufacturer, its subsidiaries, and their partners are not responsible for any floor damages.
- DO NOT mount the rig in tight or cluttered spaces – remember that QS-CH1 moves and nothing should restrict its motion range.
- Seatbelts and other harnesses should be mounted to parts of the motion rig that move in the same way as the seat. DO NOT attach them to any static part or ground.
- Cables must not be stretched and should be kept in a way that prevents them from getting under actuator or any part that can crush or tear them.
- If you want to use the QS-CH1 in an unusual application, and you are not sure, that the desired setup is feasible, please contact, the distributor/reseller.
- Check if cables are mounted properly – they are not stretched or loosely connected to the socket.
- Check if there are no objects in the motion range of the platform.
- Check that all elements are properly fixed.
- Check if there are no sharp edges nearby.
- Check if everyone around is aware of machine rapid movements.
- Make sure that no one stands in the range of motion (minimum 1.5 m).WarningQS-CH1 will move automatically after turning it on in order to perform start up procedure. Stay in the safe distance from that movement and do not try to interrupt it.
- DO NOT interrupt or change the weight of payload mounted to the QS-CH1 during start-up calibration.
- Motion Lock Switch should be mounted close to the operator or user of the machine – it has to be easily reachable in every situation.
- Check Motion Lock Switch AT LEAST once a month to reduce the possibility of unknown failure – more information available in chapter 4.
- Before getting on or off the machine ALWAYS activate Motion Lock (press the red button)
- In case of game crash or freeze, the Motion Lock Switch must be pressed before getting off the machine.InfoTo check if the QS-CH1 is in the Motion Lock mode - go to QubicManager application main window. Platform status is displayed in the lower left corner of the main application window:
InfoMotion Lock input is not SIL/PL (safety integrity level/performance level) rated and DOES NOT guarantee safety. If you wish to achieve specific SIL/PL ranking, consider introducing a power cut-off device that is controlled by an external safety relay and cuts off the power to all Power Cabinets. Example application of the power cut-off contactor can be found in section 6.3.2 and 6.3.3 and. - For VR Headset users:
- Remove the VR goggles before entering or exiting the rig.
- Ensure that VR Headset is not limiting the operation range of QS-CH1.
- Check if the whole VR setup is not in range of motion of the machine.
- Ensure that VR setup cables are protected from being crushed by the QS-CH1 - DO NOT place the connection loosely under the motion rig.
Info
It is recommended that the connected PC is capable of running the game at stable 90 frames per second or more when VR Headset is used. Lower values can cause VR sickness.
- DO NOT use QS-CH1 if you are pregnant, tired, or under the influence of alcohol or drugs.
- STOP USING the QS-CH1 immediately if pain, fatigue or any discomfort appears.
- For every two hours of using the system, we recommend at least 15 MINUTES OF BREAK.
- DO NOT put your hands or legs in the actuators range of motion!
- DO NOT use the QS-CH1 around small children or pets.
- DO NOT put any items between actuators and stabilization plates.
- DO NOT pull the wires connecting the actuators with the power cabinets.
2 Product description
The QS-CH1 is a modular platform designed to adapt Qubic System motion actuators. It is dedicated for land vehicles and car driving simulation. Full set of the QS-CH1 motion system includes 4 electrical actuators with dedicated Power Cabinets (2x QS-210 or 2x QS-220 set) with a designed installation solution under the cockpit, which significantly reduces the usable space and improves safety. Additional accessories for mounting the seat, steering wheel and pedals are all adjustable. System fully assembled requires only 1.5 square meters of space.The QS-CH-1 base motion system consists of:
- QS-CH1 base frame
- 4x QS-220 actuator mounting bracket*
- 2x QS-210/220 motion set:
- 4x QS-220 linear actuator
- 2x Power Cabinet
- 2x motion lock interlink cable (up-link/down-link) – 2 meters long
- 2x Ethernet RJ-45 cable – 2 meters long
- 2x Power cable
- 4x Actuator stabilization pads
Info
- *QS-210 motion set includes QS-210 actuator specific mounting brackets.
- For additional information about the QS-210/220 devices refer to QS-210 user manual or QS-220 user manual.
- 1x QS-MC6 controller set:
- 1x M10 Controller - USB Qubic System controller
- 1x Motion Lock Button with cable - 1,5 meters long
- 1x M-BUS terminator (RJ45 plug with resistor)
- 1x USB cable (USB type C)
- 1x Ethernet RJ-45 cable - 3 meters long
- 1x QS-CH1 cockpit set:
- 1x QS-CH1 base frame
- 4x QS-220 actuator mounting bracket
- 1x adjustable wheel mount desk
- 1x adjustable pedals mount
- 1x set of seat mount brackets
- 1x set of seat adjustment brackets
- 1x Switch Box
- 1x set of QS-BT1 mounting brackets
- 1x QS-CH1 specific Motion Lock Button - 3 meters long
2.1 System components
2.1.1 QS-CH1 full set overview


2.1.2 QS-CH1 dimensions

** All dimensions in millimeters
2.1.3 QS-CH1 accessories adjustment specifications
Pedals mounting plate dimensions:Info
All gaps suitable for bolts up to M6 (width 6,5 mm).

Info
All gaps suitable for bolts up to M6 (width 6,5 mm).

Info
All gaps suitable for bolts up to M6 (width 6,5 mm).


Info
All gaps suitable for bolts up to M6 (width 6,5 mm).

2.2 System specification
| Parameter | QS-210 | QS-220 |
|---|---|---|
| Architecture | 3DoF | 3DoF |
| Actuator stroke | 60 mm | 100 mm |
| Platform weight | 160 kg | 160 kg |
| Gross moving load (Performance mode) | 140 kg | 190 kg |
| Vibration frequency range | 0-100 Hz | 0-100 Hz |
| Maximum control frequency | 1000 Hz | 1000 Hz |
| Excursions | ||
| Heave | 60 mm | 100 mm |
| Roll | 4.8° | 7.9° |
| Pitch | 3.1° | 5.1° |
| Maximum velocity | 400 mm/s | 800 mm/s** |
| Maximum acceleration | 0.6G* | 0.8G* |
**Data for Q-MODE which is unavailable for QS-210.
2.3 Power requirements
QS-CH1 requires a 120/230± 10% VAC 50-60 Hz single phase with ground and neutral connection.
Info
Always UNWIND THE CABLE COMPLETELY when using a cable reel and untangle an extension cord before connecting the device to the power supply.

Warning
- The device is NOT intended to be used in an IT earthing/grounding system.
- The product must be connected to the mains power supply with a protective earth (PE) and a residual current circuit breaker (RCCB).
2.4 Power consumption
Tables below contain power consumption data for QS-CH1:| Parameter (all data for Performance mode) | QS-210 120V | QS-210 230V | QS-220 120V | QS-220 230V |
|---|---|---|---|---|
| Average power for converter specification [kVA] | 1.0 | 0.8 | 0.7 | 0.9 |
| Peak power for converter specification [kVA] | 1.8 | 1.7 | 1.5 | 1.6 |
| Peak current for breaker specification [A] | 17 | 8 | 13 | 7 |
| Average power consumption (stress test) [kW] | 0.5 | 0.3 | 0.3 | 0.3 |
| Average power consumption (typical game) [kW] | 0.1 | 0.1 | 0.05 | 0.04 |
2.5 Connecting grounding wires
Info
Switch Box is equipped with a low resistance protective-earth bolt. It must be connected to the facility's solid protective earth/grounding bolt in order to increase suppression level. It is recommended to use at least 10 mm2 copper wire.
Warning
All operations MUST BE performed with the platform powered off and by a qualified electrician.

3 Installation
Warning
- Make sure you are equipped with torque wrench and follow the torque specs for each bolt.
- Use mild thread locker on every bolt that is not screwed in with locknut.
3.1 Parts list

Info
- Qubic System actuators set are purchased separately.
- QS-210 actuator adapter brackets are included with the set of actuators.
3.2 Accessories assembly instructions
Info
QS-CH1 is shipped in various configurations - refer to a specific assembly section for installation details on your specific accessory.
- Attach the actuator adapter brackets: QS-BT1 mounting bracket (2x) must be between the device's base and the actuator mounting bracket, at the rear of the cockpit. Tighten all four bolts to 25 Nm (18.5 ft-lbs) of torque.
Note: base frame with no accessories is symmetrical and in this step integrator decides which end will be the rear.
QS-220 included actuator bracket assembly:
QS-210 actuator bracket (included with QS-210 set) assembly:
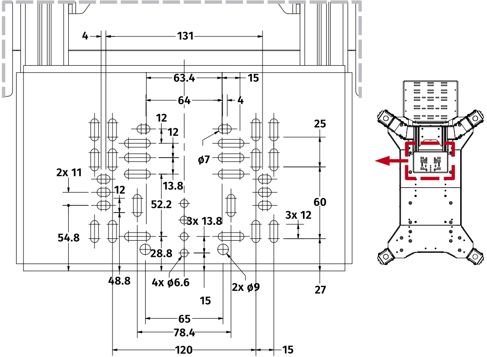
InfoMounting holes dimensions:
- Attach the mounting adapters to Power Cabinet (max. torque for M6 ISO 7380-1 bolts - 7 Nm (5.2 fb-lbs)).

- Attach the Power Cabinets directly through the base frame floor.
InfoReference illustration of Power Cabinets mounting holes:
- Slide in the Steering wheel mount desk onto the actuator adapter brackets and actuators inside the actuator adapter brackets and bolt them in place (max. torque for M8 ISO 7380-1 bolts - 17 Nm (12.5 fb-lbs)).
Use the same assembly method with QS-210 actuators:

- Actuator cable arrangement is recommended as shown in the illustration:

InfoFor a complete desk adjustment specification go. - Actuator cable arrangement is recommended as shown in the illustration:
- Open the cable grommet by removing the front plate.

- Slide in the pedal mount. Attach it with 6 bolts from the top and 2 from the bottom (max. torque for M12 ISO 7380-1 bolts - 25 Nm (18.5 fb-lbs)).

- Connect the Power Cabinets and Switch box using cables provided with the system, as shown on the interconnections diagram:
InfoOrder of connecting the cables is not important, keep the CFG switches setting according to appropriate layout.WarningEnsure all Power Cabinets and Switch Box have power buttons switched ON, circuit breaker in Switch Box in ON position.
InfoSwitch Box cable arrangement is recommended as shown in the illustration:
- Slide in the Switch Box over the Pedal mount lip but under the pedals bracket and screw it in (max. torque for M6 ISO 7380-1 bolts - 7 Nm (5.2 fb-lbs)).

- Attach the seat mount bracket (max. torque for M12 ISO 7380-1 bolts - 25 Nm (18.5 fb-lbs)).

- Screw in the shifter holder using 3 holes on the right of the cockpit (max. torque for M12 DIN 912 bolts - 79 Nm (58.3 fb-lbs)).
InfoFor a completed assembly view go.
3.3 Connecting front Switch Box panel
For the QS-CH1 to operate 4 cables must be connected:- Power cord connected to power socket
- Grounding bolt connected with facility's ground bolt, using no less than 10mm2 cross section cable
- Motion Lock plugged in
- M10 Controller plugged in to the PC

3.4 Connecting with traction loss system (QS-CH2)
Info
For a full connection procedure - refer to QS-CH2 full user manual.

Info
When connecting QS-CH1 with QS-CH2 the CFG switches in the QS-CH2 must be set to actuator 5-6 setting (as shown on the connections scheme).
3.5 Connecting with QS-CH2 and QS-BT1 belt tensioner
QS-BT1 belt tensioner can be implemented into the Motion Lock circuit, by using Motion lock interlink cable. Data communication with the PC is separate from M-BUS circuit via USB.
3.6 Software Installation
Info
Note down the QS-CH1 serial number before installation as it is needed to access software download page.

To download the software visit: QubicSystem.com/Download
Once the QS-CH1 is installed and connected correctly:- Download Qubic Manager Software.
- Proceed with the installation steps and launch the application.
- Connect power connection cord to the wall socket.
- Turn on the system by switching on the power switch button on the Switch Box.
- Check position of Motion Lock button, unpress if needed.
- The QS-CH1 will perform a start-up calibration.Warning
- DO NOT change the payload during the start-up calibration.
- DO NOT enter the cockpit during the start-up calibration.
- If Qubic Manager has recognized the QS-CH1 correctly, the status of the machine visible in the lower left corner will change to Parked/Centered.
WarningIf the device did not connect correctly:- Go over the cable connections - compare the connections to the diagram again, look for loose plugs or damaged cords.
- Go to Troubleshooting section.
- Check Action Center on the right side panel for a list of actions that requires attention:

- It is possible to solve them one by one or by pressing the Resolve All button. Firmware update may require additional confirmation in the dialogue box.

- Go to Tools and Diagnostics → Devices and select Configure.

- Choose the correct layout variant from the list (4 actuators setup).
For QS-CH1 set with traction loss control (QS-CH2): Choose the correct layout variant from the list (4A T setup).


- Enter the dimensions value in the platform dimensions Width and Length field (in millimeters) from section QS-CH1 full set dimensions.

- Scroll down and choose one of the operation modes:
InfoQ-MODE is unavailable for QS-CH1 in 120 VAC environment. - Close the configuration and return to the main application window. Choose the game and check profile details by clicking on the game tile.InfoDefault profiles are integrated with the software and do not require additional installation. List of supported games is available at: QubicSystem.com/Supported-games.

- Adjust the motion effects intensity up to your preferences in the game profile window. Scroll down to see all of the settings.

- Activate a profile by clicking the Activate button.

- Launch the game by clicking the Run the game button.

- You can also adjust the settings during the game simulation by pressing ALT+TAB and switching between the applications - once the profile is active changes will apply instantly.
Info
Warning
The software is provided "as is", without warranty of any kind, express or implied, including but not limited to the warranties of merchantability, fitness for a particular purpose, and non-infringement. In no event will the authors or copyright holders be liable for any claim, damage, or other liability, whether in an action of contract, tort or otherwise, arising from, out of, or in connection with the software or the use or other dealings in the software.
The software sends anonymous usage data to the Motion Systems company. The data is used to improve the software and game profiles. The data is not used for advertising purposes.
The software sends anonymous usage data to the Motion Systems company. The data is used to improve the software and game profiles. The data is not used for advertising purposes.
4 Maintenance and Cleaning
Info
Cleaning should be conducted every 160 working hours or once a month.
To see the working hours counter, go to Tools and diagnostics → Devices. It is displayed in the QS-CH1 device listing:
To see the working hours counter, go to Tools and diagnostics → Devices. It is displayed in the QS-CH1 device listing:

If any of the above mentioned elements is dirty or dusty use clean cloth to remove it. Isopropyl alcohol can be used to remove contamination caused by lubricants.
4.1 Checking the Motion Lock button
At least once a month check if Motion Lock button is working correctly:- Before anyone steps into the platform - turn on the QS-CH1.
- Push the red Motion Lock button.
- The machine should stop and not react to any signal.
- Turn on a simulation or a game to confirm that - with a correct profile activated proceed to a game or a simulation and engage movement.
✓
If the Motion Lock Button works correctly - platform does not react nor move in any way.
x
If the Motion Lock button does not work correctly - platform proceeds to simulate motion from the game/simulation. Check the cable connection and repeat the test. If the problem persists - DO NOT use the platform, power it off and contact technical support immediately.
Info
For additional information regarding maintenance and cleaning of the actuators, refer to QS-210 or QS-220 user manual.
5 Troubleshooting
Warning
DO NOT attempt to do any repairs by yourself. It could be dangerous and will result in loss of warranty! Repairs should be consulted with technical support and then performed by a qualified technician.
- Check Action Center in QubicManager.
- Check all cable connections in the device.
- Restart QubicManager application by right-click on the application icon in the system tray and selecting Restart:

- Check Motion Lock Switch position (should be unpressed to activate the motion) :

- Try different USB ports (also try bypassing the USB hub by a direct PC connection).
- If a problem occurred abruptly, it could be caused by a thermal protection. Turn off the QS-CH1, disconnect it from power outlets and wait at least 15 minutes to let it cool down. Try turning it on again later.
- In case of any unclear electrical issues, strange behavior or abnormal work conditions, contact technical support.
5.1 QubicManager device statuses










Info
- ALL diagnostics and cable connection inspections MUST be performed with the device powered OFF.
- If any of error statuses persist after performing the troubleshooting steps - please contact technical support.
5.2 Common problems with solutions
- Problem: QubicManager software crashes on launch with an OpenGL error.
Solution long-term #1: This issue is caused by graphics drivers. Try to downgrade to a previous version of graphics drivers or check for updates.
Solution short-term: To open the app, click OK on all the operating system errors. Restart the QubicManager software and you will be presented with a window:Click "YES" if you want run the application in Safe Mode (it will run a little slower).
Solution long-term #2: In order to overwrite the OpenGL rendering backend permanently, type in troubleshooting in Windows search bar. Select Qubic System Troubleshooting Assistant.In the prompt window, type 6 on your keyboard and click Enter. Restart the QubicManager application.

5.3 Creating a snapshot
A snapshot is the easiest and fastest way to diagnose a problem. If you send in the zip file generated in the snapshot menu along with a description of the problem, technical support receives all the necessary information about the product and its configuration. It can be then analyzed to provide the best solution.Info
The QS-CH1 and all interconnected Power Cabinets MUST BE be powered up when creating the snapshot.
- Open the main window of the QubicManager application.
- Go to Tools and Diagnostic → About / Support.

- Open the Snapshot window:

- Select data that will be included in the snapshot.
- Scroll down, consent to the technical support terms and conditions and select Create & Show:

- The snapshot has been created, click the OK button - the folder with the snapshot ZIP file will open.

- Attach the snapshot ZIP file to your support request.

5.4 Discord channel
We strongly recommend joining our discord channel, where our growing community is sharing amazing tips and ideas of how to set up, use and tune the Qubic System products. You can also send questions for our staff or get answers directly from the community.
Join our discord channel by following the invitation link:

6 Advanced applications
Info
Examples shown in this section describe optional application of external safety and power cut-off devices. If you wish to expand the functionality of your motion system, read the whole section to have a good understanding of how to apply and what functionality to expect. Apply at your own discretion.
Warning
Motion Lock input is not a SIL/PL (safety integrity level/performance level) rated and DOES NOT guarantee safety. If you wish to achieve specific SIL/PL ranking, consider introducing a power cut-off device that is controlled by an external safety relay and cuts off the power to all QS-SB2. Example application of the power cut-off contactor can be found in section 6.3.2 and 6.3.3.
Info
When applying safety relay to the Motion Lock:
- Use input cables according to your safety relay manual.
- Use output cables according to your safety relay manual and cross section no less than 0,75 mm2
- Implementing an additional safety relay requires deactivating Motion Lock cycle procedure at the power up. In order to do that, go to "Tools and diagnostics" → "Devices" → click "Quick codes" next to a "HVFMC200" item → enter code "7c2f47a2" → click "Execute" → wait for the operation to finish → repeat for every HVFMC200 with an unique Serial Number (every second item).
6.1 Adding additional devices to the motion lock circuit
If there is necessity to stop other devices, apart from the QS-CH1, ML (Motion Lock) and additional user devices can be controlled by safety relay outputs. In the example application, the E-STOP button is connected to the external safety relay. When the E-STOP is triggered, the safety relay will activate the Motion Lock function, which will stop motion of the platform and additional devices.
Example application of single-channel safety relay that controls ML and additional devices:

Example wiring diagram of application of one-channel safety relay with E-STOP button:

6.2 Implementing the working zone protection
To protect bystanders from accidental hit from moving parts of the platform, safety gate with opening sensor* can be connected to safety relay input for activating ML function. When the gate opens, the safety relay output activates the ML (Motion Lock) function and stops the motion of the platform.
Example application of safety gate opening sensor:

6.3 Increasing safety level
Warning
Modifications of the safety system, involving application of the power line contactors, shall be performed only by somebody competent. A competent person is a qualified and knowledgeable person, who because of their training and experience has the knowledge required to apply those changes. It is user responsibility to commission modification of the safety system to a competent person, experienced with industrial wiring practices, which will be required to undertake the installation. Commissioning shall be undertaken by a trained electrical technician experienced in safety installations.
6.3.1 Assembling Motion Lock jumper
To apply solutions which require using power line contactors, Motion Lock connection cables in the QS-SB2 power cabinet needs to be replaced with jumpers. To prepare a jumper, you need to assemble recommended connector as shown below:
6.3.2 Adding power-cut circuit with E-STOP button
If specific SIL/PL rated level needs to be achieved, it might be necessary to install a power cut-off device. Two contactors connected in series and controlled by safety relay can be used to provide or cut-off power line to QS-SB2 power cabinets. When safety function on safety relay input is triggered, a safety relay will switch off the contactors, thus cutting-off the power to the platform. To apply this solution, ML UP connection cables needs to be replaced with prepared jumper as described in section 6.3.1.Info
To achieve required safety performance level it is necessary to perform safety risk assessment at user site.
Example application of power line contactors and E-STOP button:

Info
In order to increase SIL/PL level it's a good practice to apply well-known contactors of two different manufacturers in order to decrease probability of failure resulting from serial production.
Example wiring diagram of application of power line contactors and one-channel safety relay with E-STOP:

Info
PE (protective grounding/earthing) connection is omitted for better transparency
6.3.3 Implementing the working zone protection with power-cut circuit
In example application contactors connected in series provide power line to the QS-SB2 power cabinets. When safety function on safety relay input is triggered, a safety relay will switch off the power contactors, thus cutting-off the power to the platform.
Example application of power line contactors with safety gate opening sensor:

Info
When applying safety relay and contactors to the power line remember to:
- Use control cables according to your safety relay manual
- Power line cables shall be chosen accordingly to power requirements of motion system. See power requirements of specific motion system.
6.4 Implementing non-factory Motion lock switch
For non-factory Motion Lock plug setup, you must assemble plug and connectors as shown below:

7 Conformity information

The QS-CH1 meets the requirements of CE marking and relevant regulations of the EMC Directive 2014/30/EU.
8 Environmental Impact and Disposal

DO NOT dispose of this product with standard household waste but drop it off at a collection point for the disposal of Waste Electrical and Electronic Equipment for recycling.
QS-CH1 is an advanced device and if stored or disposed of incorrectly it could harm the environment or/and other people. When the device is no longer in use it should be disposed in environmental safe manner in compliance with applicable local work and environmental protection regulations. If no other agreement of disposal was concluded, the device shall be dismantled for disposal as follows:
- Metal parts should be scrapped.
- Electric and electronic components should be disposed of in the specialized disposal center.
- Other materials should be sorted and disposed of accordingly to the local law and regulations.
9 Liability Disclaimer
If permitted under applicable law, Motion Systems and its subsidiaries disclaim all liability for any damages caused by one or more of the following:- The product has been modified, opened, or altered.
- Failure to comply with assembly instructions.
- Inappropriate or abusive use, negligence, an accident (an impact - for example).
- Normal wear.
Info
If permitted under applicable law, Motion Systems and its subsidiaries disclaim all liability for any damages unrelated to the material or manufacturing defect with respect to the product (including, but not limited to, any damages caused directly or indirectly by any software, or by combining the QS-CH1 with any unsuitable element or other elements not supplied or not approved by Motion Systems for this product).
10 Warranty
Motion Systems warrants to the consumer that this product shall be free from defects in materials and workmanship, for a warranty period which corresponds to the time limit to bring an action for concerning this product.For commercial customers there is a one (1) year limited warranty, starting on the original date of purchase.
For non-commercial customers there are two (2) years warranty, starting on the original date of purchase.
Within the warranty period, the product will be repaired or replaced free of charge, excluding shipping charges.
This warranty shall not apply:
- If the product has been modified, opened, altered, or has suffered damage as a result of inappropriate or abusive use, negligence, an accident, normal wear, or any other cause unrelated to a material or manufacturing defect (including, but not limited to, combining the QS-CH1 with any unsuitable element, including in particular power supplies, chargers, or any other elements not supplied or approved by Motion Systems for this product).
- In the event of failure to comply with the instructions provided by technical support.
- To software (said software being subject to a specific warranty).
- To accessories (cables, cases, for example).
- If the product was sold at public auction or if the product has suffered damage as a result of force majeure: flood, fire, earthquake, storm.
11 Copyright
Qubic System is a trademark of Motion Systems. All rights reserved.All the contents in this user manual are the intellectual property of Motion Systems. No part of this manual, including the products and software described in it, shall be modified or translated into any language without the prior written permission of Motion Systems. Specifications and information in this manual are subject to change at any time without obligation to notify any person of such revision or changes. Illustrations are not binding.
Info
Trademark Notice - All brand names, icons, and trademarks that appeared in this manual are the sole property of their respective holders.
12 Manufacturer information
Qubic System is a brand
that belongs to Motion Systems
HQ address:
Miedziana 7 Street
55-003 Nadolice Wielkie
Poland
that belongs to Motion Systems
HQ address:
Miedziana 7 Street
55-003 Nadolice Wielkie
Poland
Info
In support queries please contact your reseller.



